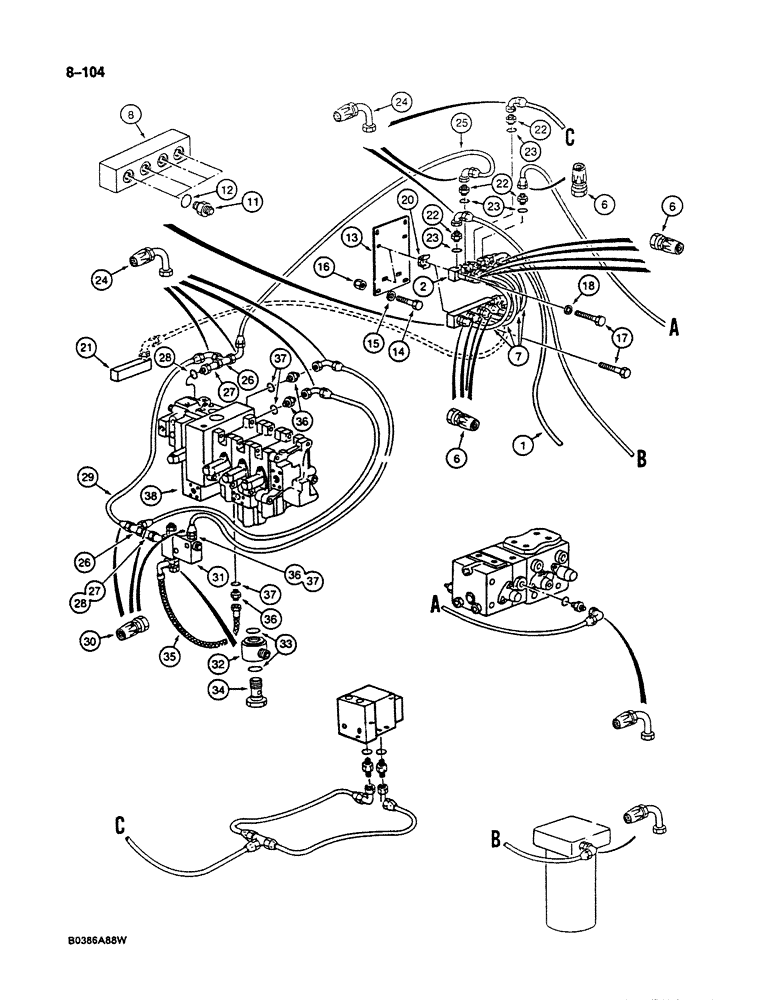
Запчасти Case 125B (8-104) - HYD. CIRCUIT FOR CONTROLS, SOLENOID VALVE TO MAIN CONTROL VALVES & SWIVEL, P.I.N. 74251 THRU 74281 (08) - HYDRAULICS

Схема запчастей Case 125B - (8-104) - HYD. CIRCUIT FOR CONTROLS, SOLENOID VALVE TO MAIN CONTROL VALVES & SWIVEL, P.I.N. 74251 THRU 74281 (08) - HYDRAULICS
FIT
1:1
100%

Артикул

Название

Примечание

Количество

1

REF

INSTRUCTION

HOSE - control circuit pressure, see Figure 8-54, reference number 16A for connecting parts

1шт.

2

REF

INSTRUCTION

VALVE ASSEMBLY - solenoid control, parts list Figure 8-244

1шт.

3

RESERVED

1шт.

4

RESERVED

1шт.

5

RESERVED

1шт.

6

P4037535

END FITTING

ADAPTER - straight, control circuit hose

9шт.

7

REF

INSTRUCTION

HOSE - return, control circuit, 15-3/4" (400 mm) long, cut from P1103640

4шт.

8

P937225

BLOCK ASSY.

MANIFOLD - return, control circuit

1шт.

9

RESERVED

1шт.

10

RESERVED

1шт.

11

P4037504

UNION

ADAPTER - straight

4шт.

12

P930474

O-RING,0.103" Thk x 0.612" ID, -114, Cl 5, 75 Duro

- adapter

4шт.

13

P3423353

SUPPORT

PLATE - mounting, solenoid valve and manifold

1шт.

14

P933818

SCREW

BOLT - plate mounting

4шт.

15

P3528795

WASHER

SPACER - bolt

4шт.

16

P34598

SAFETY NUT

NUT - hex, mounting bolt

4шт.

17

P32915

SCREW

BOLT - valve and, Serial Range: manifold-plate

4шт.

18

P3528799

WASHER

SPACER - bolt

2шт.

19

RESERVED

1шт.

20

P1634573

NUT

- mounting plate

4шт.

21

REF

INSTRUCTION

MANIFOLD - leak return, see Figure 8-84 for connecting parts

1шт.

22

P4037504

UNION

ADAPTER - straight

4шт.

23

P930474

O-RING,0.103" Thk x 0.612" ID, -114, Cl 5, 75 Duro

- adapter

4шт.

24

P4037537

END FITTING

ADAPTER - 90 degree, control circuit hose

7шт.

25

REF

INSTRUCTION

HOSE - control circuit, 51-3/16" (1300 mm) long, cut from P1103640

1шт.

26

P37236

TEE

- hose

2шт.

27

P3037561

FITTING

TUBE - adapter

2шт.

28

L33215

O-RING,0.737" ID x 0.943" OD x 0.103"

- adapter tube

2шт.

29

REF

INSTRUCTION

HOSE - control circuit, 31-1/2" (800 mm) long, cut from P1103640

1шт.

30

P4037535

END FITTING

ADAPTER - straight, hose

3шт.

31

P3143306

BLOCK

VALVE ASSEMBLY - parallel supply, parts list Figure 8-248

1шт.

P637018

FITTING

SWIVEL ASSEMBLY - hydraulic, Includes: Ref. 32 - 34

1шт.

32

NSS

NOT SOLD SEPARAT

BODY - swivel

1шт.

33

P30401

O-RING,2.5mm Thk x 18.5mm ID

- swivel

2шт.

34

NSS

NOT SOLD SEPARAT

BOLT - special, swivel

1шт.

35

P4831901

HOSE

- parallel supply valve to attachment valve, 31-1/2" (800 mm) long

1шт.

36

P3037546

UNION

ADAPTER - straight

4шт.

37

L33215

O-RING,0.737" ID x 0.943" OD x 0.103"

- adapter

4шт.

38

REF

INSTRUCTION

VALVE ASSEMBLY - attachment control, parts list Figures 8-204 through 8-214

1шт.

Выбрано товаров: 39