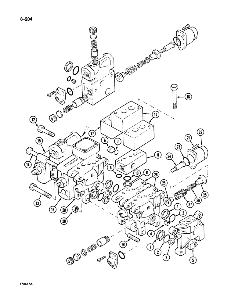
Запчасти Case 125B (8-204) - ATTACHMENT CONTROL VALVE, BOOM, ARM & TOOL SECTIONS & PARALLEL ARM SECTION (08) - HYDRAULICS

Схема запчастей Case 125B - (8-204) - ATTACHMENT CONTROL VALVE, BOOM, ARM & TOOL SECTIONS & PARALLEL ARM SECTION (08) - HYDRAULICS
FIT
1:1
100%

Артикул

Название

Примечание

Количество

P2243672

LARGE PLATE

PLATE ASSEMBLY - control valve end, Includes: Ref. 1 - 5

1шт.

1

P945258

BACK-UP RING

BACKUP RING - copper

2шт.

2

P630426

O-RING

- end plate

2шт.

3

P2045403

WASHER

BACKUP RING - steel

1шт.

4

P35754

SPLIT PIN/SAFETY PIN

ROLL PIN - end plate

2шт.

5

NSS

NOT SOLD SEPARAT

PLATE - control valve end

1шт.

P2243673

BLOCK ASSY.

BLOCK ASSEMBLY - adapter, Includes: Ref. 6 - 11

1шт.

6

P1737486

PLUG

- block

2шт.

7

P145045

HOLE PLUG BUTTON

BUTTON - block

2шт.

8

NSS

NOT SOLD SEPARAT

BLOCK - adapter

1шт.

9

P130490

O-RING,0.139" Thk x 0.921" ID, -213, Cl 5, 75 Duro

- block, small

1шт.

10

P630426

O-RING

- block, large

2шт.

11

P945258

BACK-UP RING

- large O-ring

2шт.

12

P932941

SCREW

BOLT - upper

2шт.

13

P2033084

SCREW

BOLT - lower

2шт.

14

P532934

SCREW

BOLT - mounting

4шт.

15

REF

INSTRUCTION

SECTION ASSEMBLY - check valve, main relief valve, and end inlet, parts list Figure 8-214

1шт.

16

P2033083

SCREW

BOLT - section

2шт.

17

REF

INSTRUCTION

BLOCK ASSEMBLY - circuit relief valve, 3 used on units, parts list Figure 8-210, Serial Range: 74251-74844

2-3шт.

17

REF

INSTRUCTION

BLOCK ASSEMBLY - circuit relief valve, 2 used on units, parts list Figure 8-210, Serial Range: 74845-74963

2-3шт.

17

REF

INSTRUCTION

BLOCK ASSEMBLY - circuit relief valve, 2 used on units, parts list Figure 8-210, Serial Range: 21801-21868

2-3шт.

17

REF

INSTRUCTION

BLOCK ASSEMBLY - circuit relief valve, 2 used on units, parts list Figure 8-210, Start Serial: 26801

2-3шт.

17

REF

INSTRUCTION

BLOCK ASSEMBLY - circuit relief valve, only, parts list Figure 8-212, Serial Range: 74845-74963

1шт.

17

REF

INSTRUCTION

BLOCK ASSEMBLY - circuit relief valve, only, parts list Figure 8-212, Serial Range: 21801-21868

1шт.

17

REF

INSTRUCTION

BLOCK ASSEMBLY - circuit relief valve, only, parts list Figure 8-212, Start Serial: 26801

1шт.

18

REF

INSTRUCTION

SECTION ASSEMBLY - heavy lift, parts list Figure 8-208

1шт.

19

P1127737

THREADED ROD

STUD - section retaining

12шт.

20

825-1418

NUT,M18, Cl 8

- hex

24шт.

P1943641

DISTRIBUTOR

SECTION ASSEMBLY - boom, arm, and tool, Includes: Ref. 21 - 28

3шт.

21

P732909

SCREW

BOLT - mounting

3шт.

22

P2643678

CAP

- end, section

1шт.

23

P130412

O-RING

- cover

1шт.

24

P1229860

END FITTING

STUD - spring retaining

1шт.

25

P5130110

CUPEL

RETAINER - spring

2шт.

26

P1338193

COMPRESSION SPRING

SPRING - small, inner

1шт.

27

P1338194

COMPRESSION SPRING

SPRING - large, outer

1шт.

28

NSS

NOT SOLD SEPARAT

BODY - section

1шт.

Выбрано товаров: 37