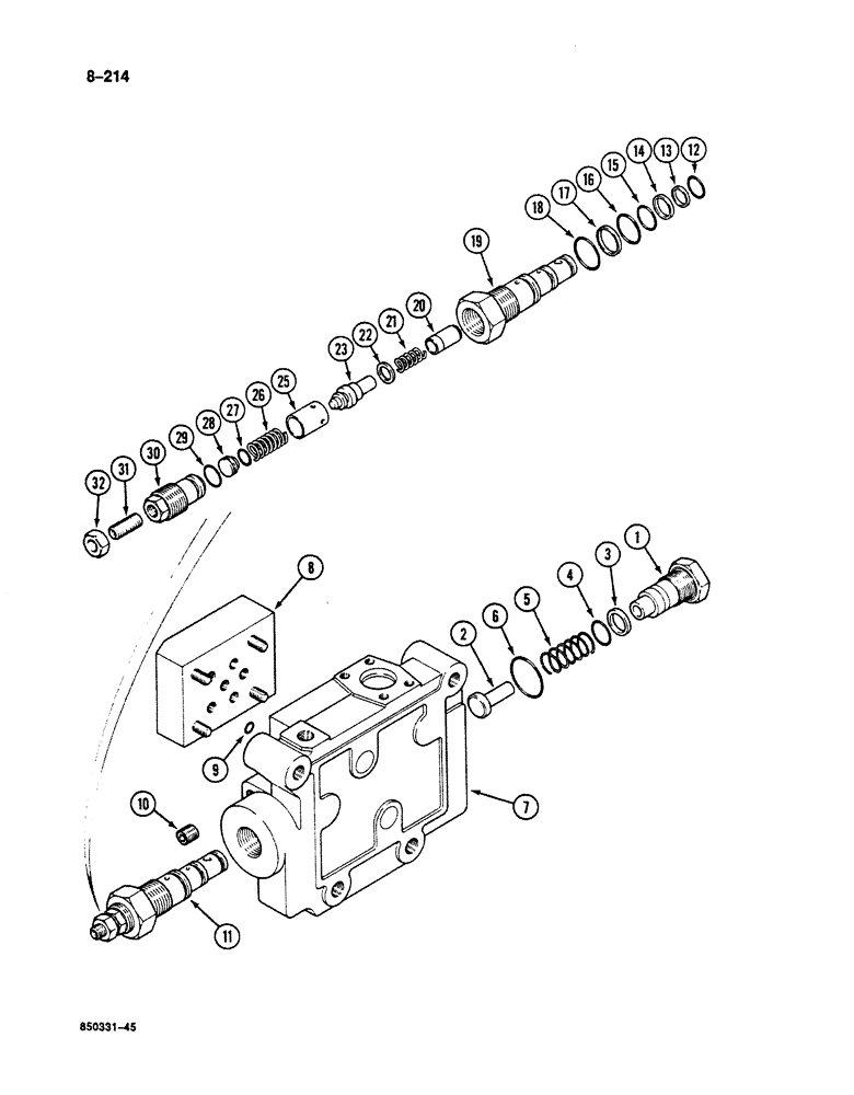
Запчасти Case 125B (8-214) - ATTACHMENT CONTROL VALVE, MAIN RELIEF VALVE, CHECK VALVE - END INLET (08) - HYDRAULICS

Схема запчастей Case 125B - (8-214) - ATTACHMENT CONTROL VALVE, MAIN RELIEF VALVE, CHECK VALVE - END INLET (08) - HYDRAULICS
FIT
1:1
100%

Артикул

Название

Примечание

Количество

P1943662

LARGE PLATE

SECTION ASSEMBLY - check valve, main relief valve, and end inlet, Includes: Ref. 1 - 32

1шт.

1

P1943683

VALVE

CHECK VALVE ASSEMBLY - body, includes poppet (Ref. 2)

1шт.

2

NSS

NOT SOLD SEPARAT

POPPET - check valve

1шт.

3

P1945331

OIL SEAL

BACKUP RING - small O-ring

1шт.

4

R30989

O-RING,0.103" Thk x 0.862" ID, -118, Cl 6, 90 Duro

- small

1шт.

5

P738197

COMPRESSION SPRING

SPRING - poppet

1шт.

6

A43669

O-RING,1.299" ID x 1.505" OD x 0.103"

- large

1шт.

7

NSS

NOT SOLD SEPARAT

BODY - valve section

1шт.

8

P1943648

VALVE

BLOCK - selector

1шт.

Ref #8 - Contains P1538134 Spring & P3737447 Plug

1шт.

9

P1630460

O-RING,0.07" Thk x 0.364" ID, -12, Cl 5, 75 Duro

- block

6шт.

10

P1037475

PLUG

- body

1шт.

11

P1943654

CARTRIDGE

MAIN RELIEF VALVE ASSEMBLY - end inlet section, Includes: Ref. 12 - 32

1шт.

12

P30318

O-RING

- relief valve, small, inner

1шт.

13

P5346092

BACK-UP RING

BACKUP RING - small O-ring, inner

1шт.

14

P1945329

BACK-UP RING

BACKUP RING - center O-ring

1шт.

15

P1230465

O-RING,0.103" Thk x 1.11" ID, -122, Cl 5, 75 Duro

- center, relief valve

1шт.

16

P1230487

O-RING,0.103" Thk x 1.237" ID, -124, Cl 5, 75 Duro

- large, outer

1шт.

17

P1945330

BACK-UP RING

BACKUP RING - large O-ring, outer

1шт.

18

P1630459

GASKET

O-RING - relief valve, outermost

1шт.

19

NSS

NOT SOLD SEPARAT

HOUSING - relief valve

1шт.

20

NSS

NOT SOLD SEPARAT

POPPET - relief valve

1шт.

21

P138102

COMPRESSION SPRING

SPRING - poppet

1шт.

P1943650

VALVE POPPET

PLUNGER ASSEMBLY - valve, Includes: Ref. 22 and 23

1шт.

22

P945270

WASHER, SEALING

SEAL - plunger

1шт.

23

NSS

NOT SOLD SEPARAT

BODY - plunger

1шт.

25

NSS

NOT SOLD SEPARAT

SLEEVE - spring

1шт.

26

P1038138

COMPRESSION SPRING

SPRING - plunger

1шт.

27

D48359

O-RING,0.103" Thk x 0.549" ID, -113, Cl 6, 90 Duro

- spring seat

1шт.

28

NSS

NOT SOLD SEPARAT

SEAT - spring

1шт.

29

P1630456

O-RING

- body

1шт.

30

NSS

NOT SOLD SEPARAT

BODY - valve

1шт.

31

P33085

SCREW

SET SCREW - adjusting

1шт.

32

P34564

NUT

- locking

1шт.

Выбрано товаров: 34