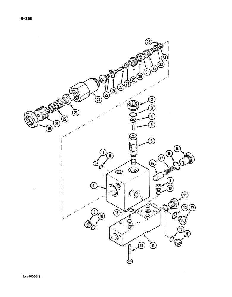
Запчасти Case 125B (8-266) - CRANING VALVE, USED WITH BOOM CYLINDER CIRCUIT (08) - HYDRAULICS

Схема запчастей Case 125B - (8-266) - CRANING VALVE, USED WITH BOOM CYLINDER CIRCUIT (08) - HYDRAULICS
FIT
1:1
100%

Артикул

Название

Примечание

Количество

P3143329

SHIN

VALVE ASSEMBLY - craning, boom cylinder, Includes: Ref. 1 - 35

2шт.

1

NSS

NOT SOLD SEPARAT

BODY - craning valve

1шт.

P2543347

CARTRIDGE

VALVE ASSEMBLY - relief, adjustable, Includes: Ref. 2 - 6

1шт.

2

P1734524

NUT

RING - locking, relief valve

1шт.

3

P30323

SEAL

O-RING - locking ring

1шт.

Part of Seal Repair Kit, P/N P4349648

1шт.

4

P34211

NUT

- hex, self-locking, 8 mm

1шт.

5

P32825

SCREW

- adjusting, relief valve

1шт.

6

NSS

NOT SOLD SEPARAT

CARTRIDGE - relief valve

1шт.

7

P2337468

PLUG

- valve body, Includes: Ref. 8

2шт.

8

P2230441

SEAL

O-RING - plug

1шт.

9

P1437455

PLUG

- valve body, Includes: Ref. 10

3шт.

10

P7046042

SEAL

O-RING - plug

1шт.

11

P1337445

PLUG

- valve body, Includes: Ref. 12

2шт.

12

P945293

WASHER, SEALING

O-RING - plug

1шт.

13

P533849

SCREW

BOLT - hex head

4шт.

14

P2643359

SHIN

BLOCK - mounting

1шт.

15

P330430

O-RING,0.103" Thk x 0.862" ID, -118, Cl 6, 90 Duro

- mounting block

2шт.

Part of Seal Repair Kit, P/N P4349648

1шт.

16

P1429869

VALVE POPPET

POPPET - check valve

1шт.

17

P1838130

COMPRESSION SPRING

SPRING - check valve poppet

1шт.

18

P1637498

PLUG

- check valve

1шт.

19

P130486

O-RING

- plug

1шт.

Part of Seal Repair Kit, P/N P4349648

1шт.

20

P1734569

NUT

- locking, adjusting screw

1шт.

21

P1933047

SCREW

- adjusting, relief valve

1шт.

22

P2138129

COMPRESSION SPRING

SPRING - poppet

1шт.

23

P1129470

GUIDE

POPPET - relief valve

1шт.

24

P1029781

CAP

BODY - relief valve

1шт.

P3143333

CARTRIDGE

ASSEMBLY - relief valve, Includes: Ref. 25 - 35

1шт.

25

NSS

NOT SOLD SEPARAT

POPPET AND PLUNGER - relief valve

1шт.

26

P630443

O-RING

- poppet

1шт.

Part of Seal Repair Kit, P/N P4349648

1шт.

27

P7046090

SEAL

- plunger

1шт.

Part of Seal Repair Kit, P/N P4349648

1шт.

28

NSS

NOT SOLD SEPARAT

SEAL - poppet

1шт.

29

NSS

NOT SOLD SEPARAT

RING - seal retaining

1шт.

30

P1145267

BACK-UP RING

RING - backup, seat O-ring, large

1шт.

Part of Seal Repair Kit, P/N P4349648

1шт.

31

P30460

O-RING,0.103" Thk x 0.987" ID, -120, Cl 5, 75 Duro

- seat, large

1шт.

Part of Seal Repair Kit, P/N P4349648

1шт.

32

NSS

NOT SOLD SEPARAT

SEAT - relief valve

1шт.

33

P1145268

SEAL

- seat

1шт.

Part of Seal Repair Kit, P/N P4349648

1шт.

34

P1830425

O-RING

- seat, small

1шт.

Part of Seal Repair Kit, P/N P4349648

1шт.

35

P5746079

BACK-UP RING

RING - backup, seat O-ring, small

1шт.

Part of Seal Repair Kit, P/N P4349648

1шт.

P4349648

SEAL PACKAGE

KIT - seal repair, includes Refs. 3, 15, 19, 26, 27, 30, 31, 33, 34 and 35

1шт.

Выбрано товаров: 49