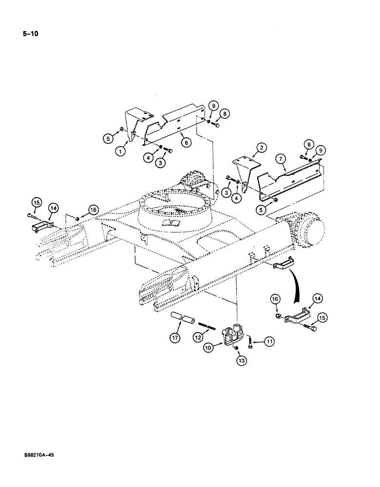
Запчасти Case 125B (5-10) - TUBE GUARDS AT TRACK FRAME, P.I.N. 74880 THROUGH 74963, 21801 THROUGH 21868, 26801 AND AFTER (11) - TRACKS/STEERING

Схема запчастей Case 125B - (5-10) - TUBE GUARDS AT TRACK FRAME, P.I.N. 74880 THROUGH 74963, 21801 THROUGH 21868, 26801 AND AFTER (11) - TRACKS/STEERING
FIT
1:1
100%

Артикул

Название

Примечание

Количество

1

P4625681

HOUSING

GUARD - tube, right-hand front

1шт.

2

P4625682

HOUSING

GUARD - tube, left-hand front

1шт.

3

P33873

SCREW

BOLT - hex head, 12 mm x 25 mm

2шт.

4

P3528793

WASHER

SPACER - front tube guard bolt, 8 mm thick

2шт.

5

P1334578

NUT

- hex, 12 mm

2шт.

6

P3126369

HOUSING

GUARD - tube, right-hand center

1шт.

7

P3126368

HOUSING

GUARD - tube, left-hand center

1шт.

8

P33873

SCREW

BOLT - hex head, 12 mm x 25 mm

8шт.

9

P3528793

WASHER

SPACER - center tube guard bolt, 8 mm thick

8шт.

10

P1604022

GUIDE

GUARD - track, at track frame, rear

4шт.

11

P1633877

SCREW

BOLT - hex head, 20 mm x 100 mm, class 10.9, guard to track frame

8шт.

12

P2527752

STEM

STUD - tie, inner to outer track guard

4шт.

13

P34229

NUT

- hex, 24 mm

8шт.

14

P1304073

STEP

- track frame, lower

2шт.

15

P133805

SCREW

BOLT - hex head, 16 mm x 60 mm, step to track frame

4шт.

16

P34562

SAFETY NUT

NUT - hex, self-locking, 16 mm, step bolt

4шт.

17

P1929258

SPACER

- guide

4шт.

Выбрано товаров: 17