Запчасти Case 125B (5-16) - TRACK ADJUSTMENT CYLINDER AND TRACK SHOES, P.I.N. 74430 THROUGH 74936 (11) - TRACKS/STEERING

Схема запчастей Case 125B - (5-16) - TRACK ADJUSTMENT CYLINDER AND TRACK SHOES, P.I.N. 74430 THROUGH 74936 (11) - TRACKS/STEERING
FIT
1:1
100%

Артикул

Название

Примечание

Количество

1

REF

INSTRUCTION

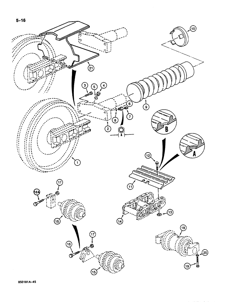
IDLER ASSEMBLY - track, for correct assembly and components see Figures 5-26 and 5-28

2шт.

2

REF

INSTRUCTION

CYLINDER ASSEMBLY - track adjustment, see Figure 5-18 for cylinder identification and parts list

2шт.

3

P33865

SCREW

BOLT - hex head, 20 mm x 70 mm, adjustment, Serial Range: cylinder-idler

8шт.

P2537413

PLUG

ASSEMBLY - adjustment cylinder, Includes: Ref. 4 and 5

2шт.

4

NSS

NOT SOLD SEPARAT

PLUG - adjustment cylinder

1шт.

5

P1145268

SEAL

- plug

1шт.

P3043319

BLOCK ASSY.

ADAPTER ASSEMBLY - grease fitting, "A" dimension is 1-1/4" (32 mm), Includes: Ref. 6 - 8

2шт.

6

NSS

NOT SOLD SEPARAT

ADAPTER - grease fitting

1шт.

7

J45801

LUBE NIPPLE,M8 x 1.25

- track adjustment M8 x 1.25

1шт.

8

P1230443

O-RING

SEAL - adapter

1шт.

P2643387

ADAPTER

ASSEMBLY - grease fitting, "A" dimension is 1" (27 mm), Includes: Ref. 6 - 8

2шт.

6

NSS

NOT SOLD SEPARAT

ADAPTER - grease fitting

1шт.

7

J45801

LUBE NIPPLE,M8 x 1.25

- track adjustment M8 x 1.25

1шт.

8

P1145268

SEAL

- adapter

1шт.

9

P6546273

SHOCK ABSORBER

SPRING - track shock absorber

2шт.

10

P6528230

BLOCK

RETAINER - track spring

2шт.

11

P1842364

TRACK SHOE

- grouser, 30" (750 mm) long, identified by hole detail "A"

100шт.

11

P1842365

TRACK SHOE

- grouser, 36" (900 mm) long, identified by hole detail "A"

100шт.

11

P1942310

TRACK SHOE

- grouser, 30" (750 mm) long, identified by hole detail "B"

100шт.

11

P1942311

TRACK SHOE

- grouser, 36" (900 mm) long, identified by hole detail "B"

100шт.

12

P3333001

SCREW

BOLT - special, track shoe

400шт.

13

P2434519

NUT

- special, track shoe

400шт.

14

REF

INSTRUCTION

CHAIN ASSEMBLY - track, see Figure 5-36 for chain identification and parts list

2шт.

15

REF

INSTRUCTION

CARRIER ROLLER ASSEMBLY - track, for correct assembly and components see Figures 5-30 and 5-32

4шт.

16

P833815

SCREW

BOLT - hex head, 24 mm x 120 mm, Serial Range: 74430-74879

4шт.

16a

P133801

SCREW

BOLT - hex head, 24 mm x 130 mm, Serial Range: 74880-74936

4шт.

17

P134566

SAFETY NUT

NUT - hex, self-locking, 24 mm

4шт.

18

REF

INSTRUCTION

ROLLER ASSEMBLY - track, see Figure 5-34 for roller identification and parts list

18шт.

19

P133835

SCREW

BOLT - hex head, 20 mm x 100 mm, track, Serial Range: roller-frame

72шт.

20

P4328747

WASHER

SPACER - track roller bolt, 14 mm thick

72шт.

21

P4540359

BLANK-OFF PLUG

GUARD - idler wheel and adjustment cylinder, optional

2шт.

Выбрано товаров: 31