Запчасти Case 125B (5-20) - TRACK ADJUSTMENT CYLINDER AND TRACK SHOES, P.I.N. 74937 THROUGH 74963, 21801 THROUGH 21806 (11) - TRACKS/STEERING

Схема запчастей Case 125B - (5-20) - TRACK ADJUSTMENT CYLINDER AND TRACK SHOES, P.I.N. 74937 THROUGH 74963, 21801 THROUGH 21806 (11) - TRACKS/STEERING
FIT
1:1
100%

Артикул

Название

Примечание

Количество

1

REF

INSTRUCTION

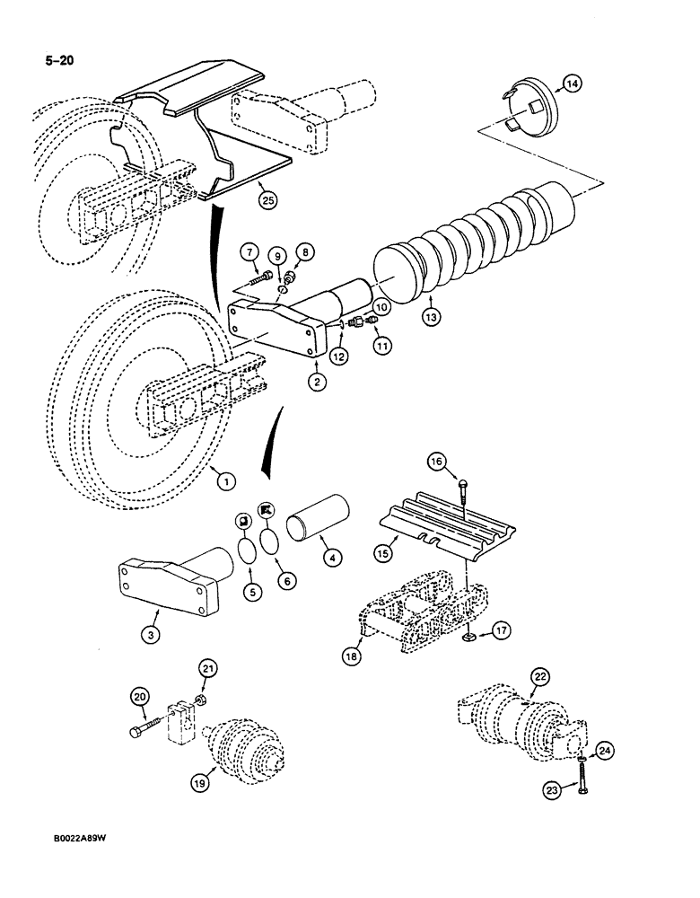
IDLER ASSEMBLY - track, for correct assembly and components see Figure 5-28

2шт.

2

P8346249

SHOCK ABSORBER

CYLINDER ASSEMBLY - track adjustment, Includes: Ref. 3 - 6

2шт.

3

NSS

NOT SOLD SEPARAT

BRACKET AND CYLINDER - track adjustment

1шт.

4

P1827664

PISTON

- adjustment cylinder

1шт.

5

P246072

SPECIAL MAT. SEAL

SEAL - piston, inner

1шт.

Ref #5 - (4 X 4 3/8 X 3/16")

1шт.

6

P1251303

SCRAPER

SEAL - piston, outer

1шт.

Ref #6 - (4 X 4 1/4 X 5/16")

1шт.

7

P1433821

SCREW

BOLT - hex head, 20 mm x 80 mm, full threaded, adjustment, Serial Range: cylinder-idler

8шт.

P2537413

PLUG

ASSEMBLY - adjustment cylinder, Includes: Ref. 8 and 9

2шт.

8

NSS

NOT SOLD SEPARAT

PLUG - adjustment cylinder

1шт.

9

P1145268

SEAL

- plug

1шт.

P2643387

ADAPTER

ASSEMBLY - grease fitting, Includes: Ref. 10 - 12

2шт.

10

NSS

NOT SOLD SEPARAT

ADAPTER - grease fitting

1шт.

11

J45801

LUBE NIPPLE,M8 x 1.25

- track adjustment M8 x 1.25

1шт.

12

P1145268

SEAL

- adapter

1шт.

13

P6546273

SHOCK ABSORBER

SPRING - track shock absorber

2шт.

Ref #13 - Replaced by P2242349

1шт.

14

P6528230

BLOCK

RETAINER - track spring

2шт.

15

P1942310

TRACK SHOE

- grouser, 30" (750 mm) long

100шт.

15

P1942311

TRACK SHOE

- grouser, 36" (900 mm) long

100шт.

16

P3333001

SCREW

BOLT - special, track shoe

400шт.

17

P2434519

NUT

- special, track shoe

400шт.

18

REF

INSTRUCTION

CHAIN ASSEMBLY - track, see Figure 5-36 for chain identification and parts list

2шт.

19

REF

INSTRUCTION

ROLLER ASSEMBLY - track carrier, for correct assembly and components see Figure 5-32

4шт.

20

P133801

SCREW

BOLT - hex head, 24 mm x 130 mm

4шт.

21

P134566

SAFETY NUT

NUT - hex, self-locking, 24 mm

4шт.

22

REF

INSTRUCTION

ROLLER ASSEMBLY - track, see Figure 5-34 for roller identification and parts list

18шт.

23

P133835

SCREW

BOLT - hex head, 20 mm x 100 mm, track, Serial Range: roller-frame

72шт.

24

P4328747

WASHER

SPACER - track roller bolt, 14 mm thick

72шт.

25

P4540359

BLANK-OFF PLUG

GUARD - idler wheel and adjustment cylinder, optional

2шт.

Выбрано товаров: 31