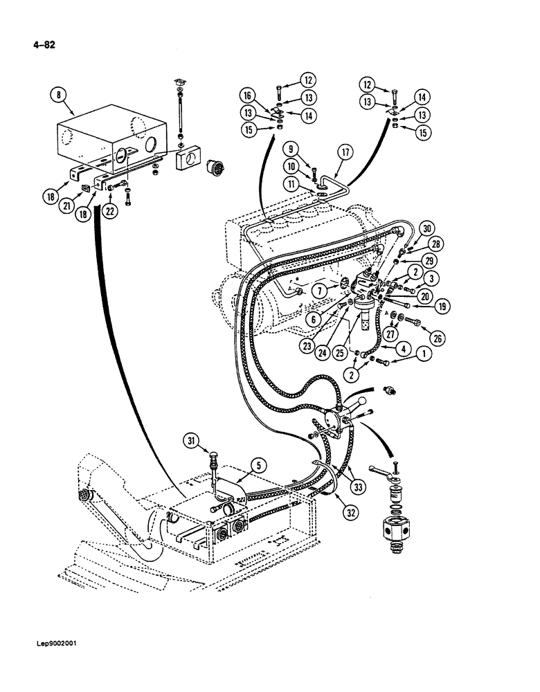
Запчасти Case 125B (4-82) - HEATER AND OIL LINES TO ENGINE, P.I.N. 26806 AND AFTER (04) - ELECTRICAL SYSTEMS

Схема запчастей Case 125B - (4-82) - HEATER AND OIL LINES TO ENGINE, P.I.N. 26806 AND AFTER (04) - ELECTRICAL SYSTEMS
FIT
1:1
100%

Артикул

Название

Примечание

Количество

1

P1533008

BOLT

- special, hose mounting, at engine

1шт.

2

P45201

WASHER, SEALING

SEAL - bolt

4шт.

3

P1030008

BOLT

BOLT - special, hose mounting, at engine oil filter

1шт.

4

P5931934

LINE

HOSE - engine oil

1шт.

5

P4931987

LOOM

HOSE - air flow

1шт.

6

NSS

NOT SOLD SEPARAT

FILTER HEAD ASSEMBLY - engine oil parts list see Figure 2-14

1шт.

7

P8846091

GASKET

SEAL - manifold

1шт.

8

REF

INSTRUCTION

HEATER ASSEMBLY - engine oil, parts list Figure 4-88

1шт.

9

P32921

SCREW,Hex Soc Hd, M8 x 20, 10.9

BOLT - tube flange

2шт.

10

P34709

WASHER

- lock

2шт.

11

P1246095

GASKET

- tube flange

1шт.

12

P33808

SCREW

BOLT - tube clamp

2шт.

13

P3528799

WASHER

SPACER - bolt

4шт.

14

P726821

DEUTZ PART

CLAMP - tube

2шт.

15

P234513

SAFETY NUT

NUT - clamp bolt

2шт.

16

P322711

PLATE

- clamp

1шт.

17

P1030514

DEUTZ PART

TUBE - engine oil

1шт.

18

P4625683

SUPPORT

BRACKET - heater mounting

2шт.

19

P133868

SCREW

BOLT - filter mounting

2шт.

20

P34611

WASHER

- lock, filter mounting bolt

2шт.

21

P1334560

NUT

- bolt, mounting bracket

2шт.

22

P3528795

WASHER

SPACER - bolt

2шт.

23

P1737482

PLUG

- engine oil filter

1шт.

24

P7146072

SEAL

- plug

1шт.

25

NSS

NOT SOLD SEPARAT

ENGINE OIL CIRCUIT - parts list see Figure 4-84

1шт.

26

P1537719

BANJO BOLT

BOLT -, Serial Range: tube-filter

1шт.

27

P545219

COPPER SEAL

SEAL - bolt

2шт.

28

P5846265

STOP LOCK

RETAINER - cable

1шт.

29

825-1106

NUT,Hex, M6, Cl 8

- lock, retainer

1шт.

30

P32813

SCREW

SET SCREW - retainer

1шт.

31

P4831329

CONTROL SLIDE

CABLE - control, heater oil flow

1шт.

32

P136922

CLAMP

TIE STRAP - hoses

5шт.

33

P4831946

HOSE

- 63" (1600 mm) long, shutoff, Serial Range: valve-heater

2шт.

Выбрано товаров: 33