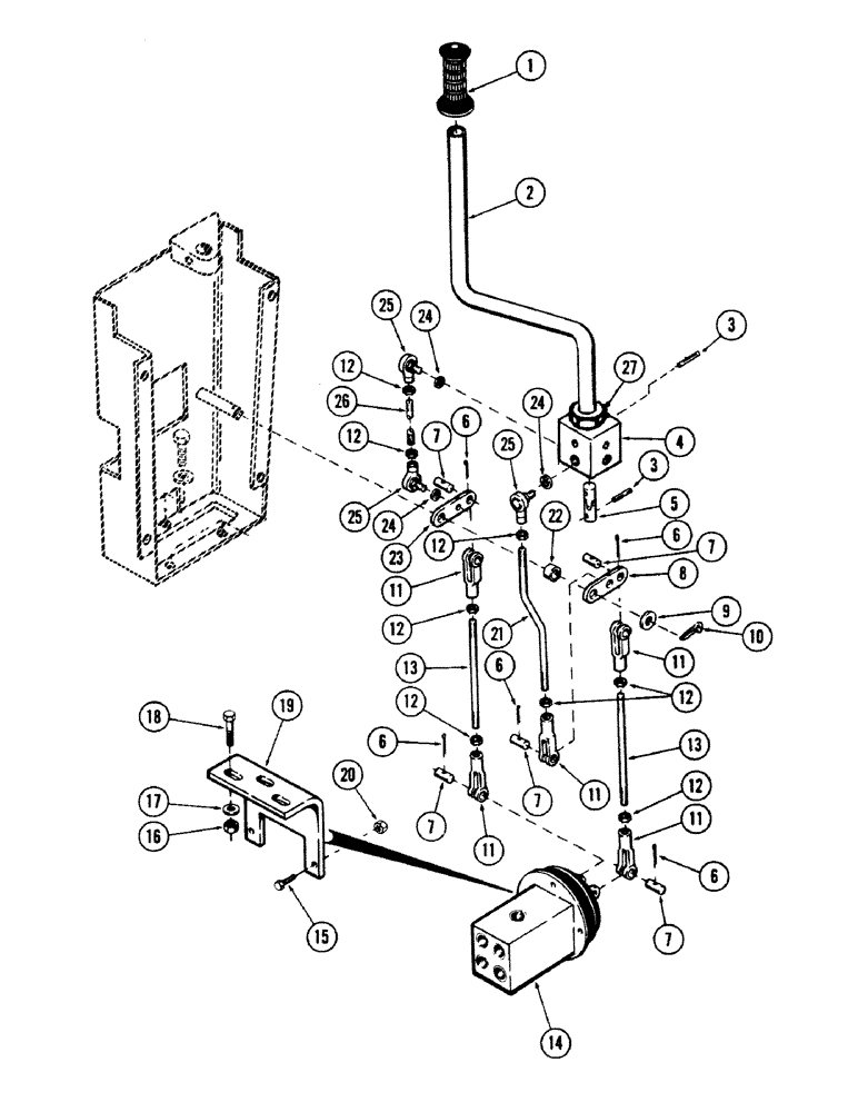
Запчасти Case 50 (8-230) - CONTROL HANDLE AND ATTACHING PARTS (08) - HYDRAULICS

Схема запчастей Case 50 - (8-230) - CONTROL HANDLE AND ATTACHING PARTS (08) - HYDRAULICS
FIT
1:1
100%

Артикул

Название

Примечание

Количество

1

S109220

GRIP

- handle

1шт.

2

S514719

HANDLE

- control

1шт.

3

138-136

LOCK PIN,1/4" x 1 1/4", Slotted

PIN, 1/4" x 1 1/4", Slotted

1шт.

4

S514718

BLOCK

1шт.

5

S238874

SWIVEL CONNECTION

JOINT - universal

1шт.

6

132-52

COTTER PIN,1/8" x 1 1/2"

Pin, Split (Cotter), 1/8" x 1 1/2"

5шт.

7

S105940

PIN,11.02mm OD x 22.23mm L

- clevis

5шт.

8

S238601

LINKAGE

BAR

1шт.

9

195-33

WASHER,1/2"

- flat, 9/16" (Used as shims)

1шт.

10

132-48

COTTER PIN,1/8" x 1"

Pin, Split (Cotter), 1/8" x 1"

1шт.

11

S66383

YOKE

5шт.

12

86585245

SPECIAL NUT,JAM, 5/8" - 18

- jam, 3/8" NF

8шт.

13

S81828

ROD

STUD

2шт.

14

REF

INSTRUCTION

VALVE - control (See Figuree 8-180)

1шт.

15

113-4

BOLT,Hex, 1/4" - 20 x 1", Gr 5

4шт.

16

131-52

NUT,3/8"-16, GC

NUT - self locking, 3/8" NC

3шт.

17

196-5

WASHER,13/32" x 1 1/16" x .095", HDN

- flat, 13/32"

3шт.

18

113-233

BOLT,Hex, 3/8" - 16 x 1-3/4", Gr 5

3шт.

19

S513598

BRACKET

- control valve mounting

1шт.

20

86625061

NUT,1/4"-20, GB

NUT -self locking, 1/4" NC

4шт.

21

S236859

ROD

- threaded

1шт.

22

S114640

SPACER

1шт.

23

S238602

LINKAGE

BAR

1шт.

24

192-21

LOCK WASHER,3/8"

WASHER, LOCK, 3/8"

3шт.

25

S236680

BALL JOINT

BALLJOINT

2шт.

26

S91953

ROD

STUD

1шт.

27

86632558

JAM NUT,Jam, 1/2"-13, G5

NUT - jam, 1/2" NC

1шт.

Выбрано товаров: 27