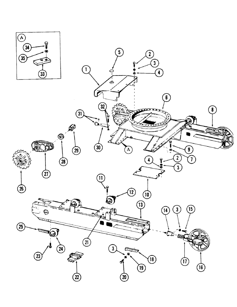
Запчасти Case 50 (5-104) - CRAWLER UNDERCARRIAGE AND RELATED PARTS (11) - TRACKS/STEERING

Схема запчастей Case 50 - (5-104) - CRAWLER UNDERCARRIAGE AND RELATED PARTS (11) - TRACKS/STEERING
FIT
1:1
100%

Артикул

Название

Примечание

Количество

1

S614952

GUARD - motor

1шт.

2

113-417

BOLT,Hex, 1/2" - 13 x 1-1/4", Gr 5, Full Thd

1шт.

3

192-23

LOCK WASHER,1/2"

WASHER, LOCK, 1/2"

1шт.

4

195-105

WASHER,7/16"

- flat, 1/2"

1шт.

5

S105894

CAP

PLUG

1шт.

6

S610364

SUPPORT - bearing

1шт.

7

S92341

WASHER

- flat, 1/2"

32шт.

8

S955129

FRAME

- track (Left hand)

1шт.

9

26-1440

CAPSCREW,Hex, 7/8" - 9 x 2 1/2", Gr 8

BOLT - 7/8" NC x 2-1/2" (Grade 8)

32шт.

10

S229182

PLATE - swivel guard

1шт.

11

13-1040

BOLT,Hex, 5/8" - 11 x 2-1/2", Gr 5

16шт.

12

REF

INSTRUCTION

ROLLER - track, single flange (See Figure 5-112 thru 5-116)

4шт.

13

S955128

FRAME

- track (Right hand)

1шт.

14

REF

INSTRUCTION

CYLINDER - track adjustment (See Figure 5-106)

2шт.

15

113-421

BOLT,Hex, 1/2" - 13 x 2", Gr 5

4шт.

16

REF

INSTRUCTION

WHEEL - front idler (See Figure 5-108)

2шт.

17

REF

INSTRUCTION

TRACK ADJUSTMENT GROUP - (See Figure 5-108)

2шт.

18

S511363

BAR

- wear (Right hand)

4шт.

19

196-15

WASHER,17/32" x 1 1/6" x .134"

- flat, 1/2"

32шт.

20

26-820

BOLT,Hex, 1/2" - 13 x 1-1/4", Gr 8

- 1/2" NC x 1-1/2" (Grade 8)

32шт.

21

131-460

LOCK NUT,5/8"-11

NUT - self locking, 5/8" NC

16шт.

22

REF

INSTRUCTION

TRACK ASSEMBLY - (See Figure 5-124)

2шт.

23

26-1032

BOLT,Hex, 5/8" - 11 x 2", Gr 8

- 5/8" NC x 2" (Grade 8)

80шт.

24

REF

INSTRUCTION

ROLLER - track, single flange (See Figures 5-112 thru 5-116)

16шт.

REF

INSTRUCTION

ROLLER - track, double flange (See Figures 5-118 thru 5-122)

4шт.

25

S511364

BAR ASSY.

BAR - wear (Left hand)

4шт.

26

REF

INSTRUCTION

WHEEL - sprocket drive (See Ref. 46 on Figure 6-126)

2шт.

27

REF

INSTRUCTION

TRANSMISSION - final drive (See Figure 6-126)

2шт.

28

REF

INSTRUCTION

BRAKE - track drive (See Figure 7-144)

2шт.

29

REF

INSTRUCTION

MOTOR - track drive (See Figure 6-130)

2шт.

30

S209710

PLATE

- draw bar (Optional)

1шт.

31

240-11

SHACKLE

- round pin (Optional)

1шт.

32

113-731

BOLT,Hex, 3/4" - 10 x 3-1/4", Gr 5

- 3/4" NC x 3-1/4" (Grade 5) (Optional)

4шт.

131-450

NUT,3/4"-10

NUT self locking, 3/4" NC

4шт.

33

S110499

BAR - stop

6шт.

34

113-424

BOLT,Hex, 1/2" - 13 x 1", Gr 5, Full Thd

12шт.

35

192-23

LOCK WASHER,1/2"

WASHER, LOCK, 1/2"

12шт.

Выбрано товаров: 37