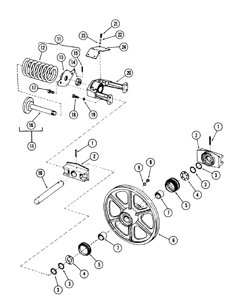
Запчасти Case 50 (5-108) - IDLER WHEEL AND TRACK ADJUSTMENT (11) - TRACKS/STEERING

Схема запчастей Case 50 - (5-108) - IDLER WHEEL AND TRACK ADJUSTMENT (11) - TRACKS/STEERING
FIT
1:1
100%

Артикул

Название

Примечание

Количество

S504106

FRONT IDLER

WHEEL, idler, Includes: Ref. 1 - 10

2шт.

1

138-210

LOCK PIN,1/2" x 3", Slotted

PIN, roll - 33/64" x 2" long

2шт.

2

S600594

BLOCK

guide

2шт.

3

A14506

O-RING,0.139" Thk x 2.234" ID, -228, Cl 5, 75 Duro

- 2.234" ID x 2.500" OD

4шт.

4

S78702

WASHER

2шт.

5

S209139

SEAL

SET

2шт.

6

S504107

RIM

WHEEL, idler, Includes: Ref. 7

1шт.

7

S78703

BUSHING

2шт.

8

S8993

PLUG

pipe, Includes: Ref. 9

1шт.

10

S78699

SHAFT

idler

1шт.

11

SPRING ASSEMBLY, track tension (Order components), Includes: Ref. 12 - 16

2шт.

12

S232895

SPRING

1шт.

13

S232915

LARGE PLATE

PLATE, end

1шт.

14

25-1224

SLOTTED NUT,1 1/2"-6, G5

NUT - 1-1/2" NC

1шт.

15

138-143

LOCK PIN,1/4" x 2 1/4", Slotted

PIN, roll - 1/4" x 1-7/8" long

1шт.

16

S232916

GUIDE

spring

1шт.

17

113-620

BOLT,Hex, 5/8" - 11 x 2-1/4", Gr 5

- 5/8" NC x 1-3/4 Gr 5

4шт.

18

113-410

BOLT,Hex, 1/2" - 13 x 1-1/2", Gr 5, Full Thd

(Yoke to guide blocks) Hex, 1/2"-13 x 1 1/2", G5, Full Thd

8шт.

9

218-5004

O-RING,0.072" Thk x 0.414" ID, -905, Cl 6, 90 Duro

5-1, 90 Duro, .414" ID x .072" Thk

1шт.

19

192-23

LOCK WASHER,1/2"

WASHER, LOCK, 1/2"

8шт.

20

S600551

YOKE

idler

2шт.

21

113-207

BOLT,Hex, 3/8" - 16 x 1", Gr 5

4шт.

22

192-21

LOCK WASHER,3/8"

WASHER, LOCK, 3/8"

4шт.

23

195-103

WASHER,5/16"

flat - 3/8"

4шт.

24

S504059

COVER

yoke

2шт.

Выбрано товаров: 25