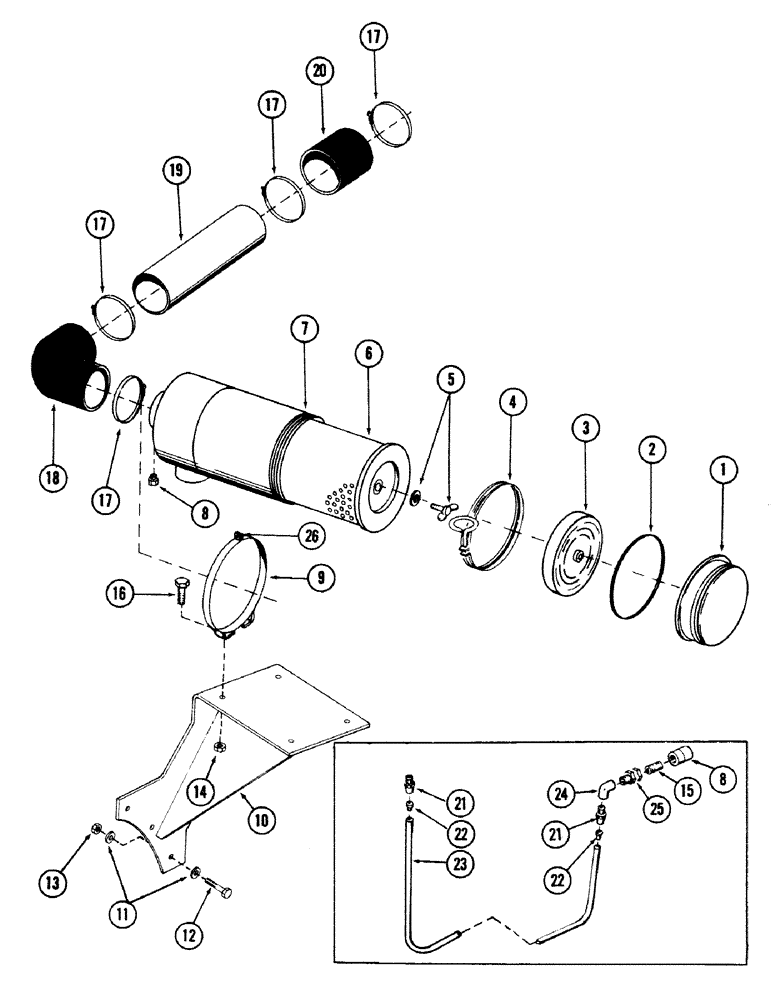
Запчасти Case 50 (2-16) - AIR CLEANER AND ATTACHING PARTS FOR: DETROIT DIESEL 6V-53 ENGINE (02) - ENGINE

Схема запчастей Case 50 - (2-16) - AIR CLEANER AND ATTACHING PARTS FOR: DETROIT DIESEL 6V-53 ENGINE (02) - ENGINE
FIT
1:1
100%

Артикул

Название

Примечание

Количество

W15254

CLEANER, air, Includes Ref. 1 - 7

1шт.

1

W15344

CUP

1шт.

2

L35498

O-RING,12.62" ID x 0.27" Width

"O"RING

1шт.

3

L33137

COVER

BAFFLE

1шт.

4

L33136

CLAMP

1шт.

5

D50939

BOLT (SPREADER)

SCREW ASSEMBLY

1шт.

6

S221347

ELEMENT

air cleaner

1шт.

7

NSS

NOT SOLD SEPARAT

BODY, air cleaner

1шт.

8

A59569

INDICATOR

FILTER INDICATOR, air cleaner

1шт.

9

S219931

CLAMP

BAND, mounting

2шт.

10

S511487

BRACKET, air cleaner mounting

1шт.

11

195-105

WASHER,7/16"

flat - 1/2"

4шт.

12

113-412

BOLT,Hex, 1/2" - 13 x 1-3/4", Gr 5

2шт.

13

131-492

NUT,1/2"-13

NUT, self locking - 1/2" NC

2шт.

14

231-1447

NUT,7/16"-14, GB

NUT, LOCK, 7/16"-14, GB

4шт.

15

221-101

PIPE,Nipple, 1/8" NPT x 3/4"

NIPPLE - 1/8" PT

1шт.

16

113-312

BOLT,Hex, 7/16" - 14 x 1-1/4", Gr 5

4шт.

17

214-365

CLAMP,#156, 5.75"-6.06", T-Bolt

4шт.

18

L24691

ADAPTER

ELBOW, 45 degree rubber

1шт.

19

S104006

TUBE,5.5" OD x 12.05" L

1шт.

20

L13265

HOSE

ADAPTER, rubber, onto engine

1шт.

21

222-1839

FITTING,17/32"-24 x 1/8" NPT

CONNECTOR - 5/8" tube x 1/8" PT, into air cleaner

2шт.

22

222-2446

INSERT,1/4" Tube

- 3/8" tube

2шт.

23

S85503

TUBE,37.5" OD

- nylon - 50" (1270 MM) long, cut from S118405

1шт.

24

217-1050

90 ELBOW,1/8" - 27 NPTF Female

- 90 degrees 1/8" PT

1шт.

25

217-226

COUPLING

FITTING - bulkhead

1шт.

26

113-120

BOLT,Hex, 5/16" - 18 x 1-3/4", Gr 5

(Replaces hardware furnished with bands) Hex, 5/16"-18 x 1 3/4", G5

2шт.

192-20

LOCK WASHER,Helical Spring, 0.318" ID, CST, ZND

WASHER, LOCK, 5/16"

2шт.

9635082

NUT,5/16" - 18, Gr 5

2шт.

S118405

HOSE,600.00", SAE J844

600.00", SAE J844

1шт.

Выбрано товаров: 30