Запчасти Case 50 (2-30) - WATER PUMP, 504BDT ENGINE (02) - ENGINE

Схема запчастей Case 50 - (2-30) - WATER PUMP, 504BDT ENGINE (02) - ENGINE
FIT
1:1
100%

Артикул

Название

Примечание

Количество

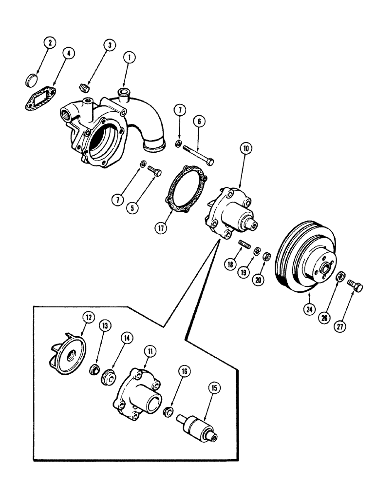
1

A60630

HOUSING

BODY ASSEMBLY - water pump, Includes Ref. 2

1шт.

2

A58568

PLUG,Cup, 1 3/8", Stainless

PLUG - cup, 1-3/8" diameter (34.92 MM)

1шт.

3

221-1015

DRAIN PLUG,Sq Hd, 1/4"-14 NPTF

PLUG - 3/4" PT square head

1шт.

4

A58649

GASKET

GASKET -, Serial Range: body-block

1шт.

5

113-208

BOLT,Hex, 3/8" - 16 x 1-1/4", Gr 5

BOLT, Hex, 3/8"-16 x 1 1/4", G5, Full Thd

2шт.

6

113-267

BOLT,Hex, 3/8" - 16 x 4", Gr 5

BOLT, Hex, 3/8"-16 x 4", G5

2шт.

7

192-21

LOCK WASHER,3/8"

WASHER, LOCK, 3/8"

4шт.

10

A155180

PUMP

PUMP ASSEMBLY - water, Includes Ref. 11 - 16

1шт.

10

1342818C1R

REMAN-WATER PUMP

Remanufactured Water Pump

1шт.

10

A48335

CORE-WATER PUMP

Return Part Number, Water Pump

1шт.

11

NSS

NOT SOLD SEPARAT

HOUSING - pump

1шт.

12

A152126

IMPELLER

IMPELLER - water

1шт.

13

A34000

SEAL

SEAT - impeller

1шт.

14

A142499

SEAL

SEAL - pump shaft

1шт.

15

A155177

SHAFT

SHAFT ASSEMBLY - pump bearing, Includes Ref. 16

1шт.

16

CASA29440

SLINGER

- pump bearing shaft

1шт.

17

A58646

GASKET

GASKET - pump, Serial Range: housing-body

1шт.

18

A62234

STUD

STUD - pump, 3/8" NC x 1-5/16"

4шт.

19

193-30

LOCK WASHER,Int Tooth, 3/8"

WASHER, LOCK, Int Tooth, 3/8"

4шт.

20

25-146

JAM NUT,Jam, 3/8"-16, G5

NUT - 3/8" NC hex

4шт.

24

A58650

PULLEY

PULLEY - belt, pump drive

1шт.

26

A155047

RING,13.08mm ID x 26.92mm OD x 8.69mm Thk

WASHER - pulley to shaft, 33/64 x 1-1/16 x 11/32" (13.10 x 26.92 x 8.69 MM)

1шт.

27

114-400

BOLT,Hex, 1/2" - 20 x 1-1/4", Gr 5

BOLT, , Pulley Hex, 1/2"-20 x 1 1/4", G5, Full Thd

1шт.

Выбрано товаров: 23