Запчасти Case 50 (4-076) - STARTER, 504BDT ENGINE (04) - ELECTRICAL SYSTEMS

Схема запчастей Case 50 - (4-076) - STARTER, 504BDT ENGINE (04) - ELECTRICAL SYSTEMS
FIT
1:1
100%

Артикул

Название

Примечание

Количество

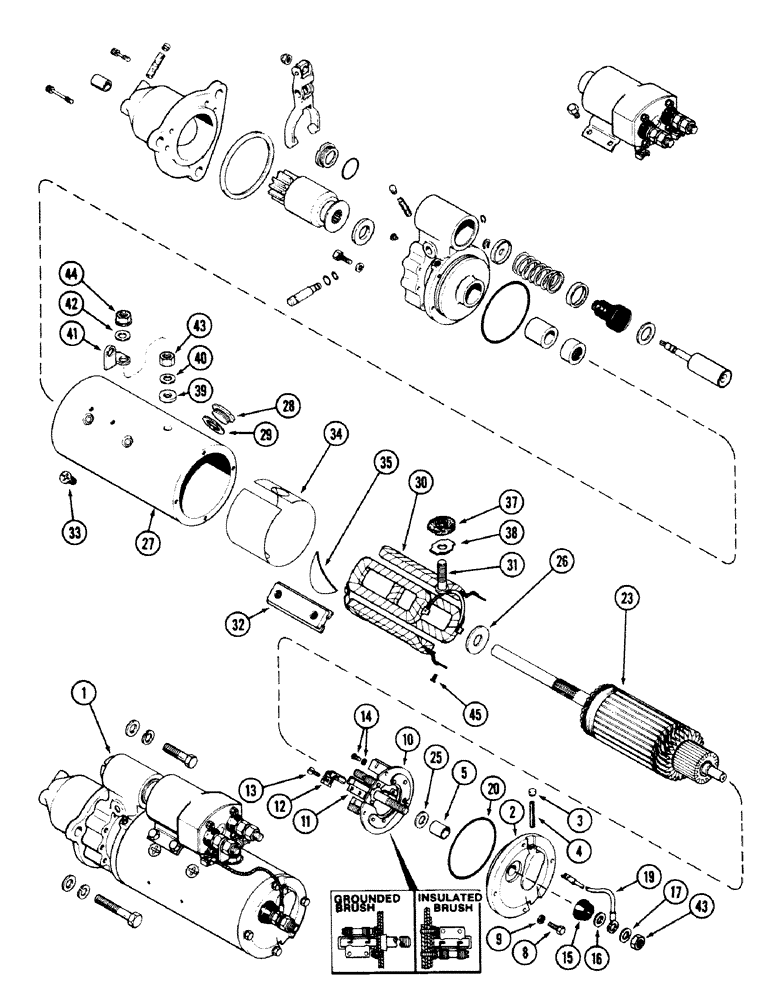
1

R45968

STARTER MOTOR

STARTER ASSEMBLY - (Delco-Remy No. 1114872), Includes: Ref. 2 - 45 and 47 - 92 on Fig. 4-78

1шт.

2

A47887

FRAME

ASSEMBLY - commutator end, Includes: Ref. 3 - 5

1шт.

3

A47889

PLUG

- oil wick hole

1шт.

4

A47888

WICK

- oil

1шт.

5

A47633

BUSHING

- frame

1шт.

8

114-1

BOLT,Hex, 1/4" - 28 x 1", Gr 5

4шт.

9

192-19

LOCK WASHER,Helical Spring, 0.256" ID, CST, ZND

WASHER, LOCK, 1/4"

4шт.

10

A47891

PLATE

ASSEMBLY - brush holder, Includes: Ref. 11

1шт.

11

A47892

SPRING

- brush tension

4шт.

12

A47983

O-RING,2.38mm Thk x 18.82mm ID

BRUSH - starter

4шт.

13

A47894

SCREW,#8 - 32 x 5/16"

- brush mounting

4шт.

14

A43847

SCREW,3/8" - 32 x 1/2"

- plate mounting (Includes lock washer)

3шт.

15

A43701

BUSHING

- insulating, terminal

1шт.

16

D30006

WASHER

- stud

1шт.

17

192-23

LOCK WASHER,1/2"

WASHER, LOCK, 1/2"

1шт.

19

A47895

ELECTRICAL WIRE

WIRE -, Serial Range: terminal-solenoid

1шт.

20

D31954

O-RING,0.139" Thk x 4.11" ID, -243, Cl 5, 75 Duro

- end frame, 4-1/8 x 4-3/8 x 1/8" (104.78 x 111.13 x 3.18 MM)

1шт.

23

A41458

ARMATURE

1шт.

25

A41917

WASHER,14.25mm ID x 24.89mm OD x 1.57mm Thk

- thrust, commutator end

1шт.

26

A40892

WASHER

- thrust, center

1шт.

27

NSS

NOT SOLD SEPARAT

FRAME - starter housing

1шт.

28

R21587

PLUG

- inspection

2шт.

29

A41924

GASKET

- plug

2шт.

30

A47847

COIL

ASSEMBLY - field, Includes: Ref. 31

1шт.

31

A40896

STUD

- terminal

1шт.

32

R15115

SHOE

- pole

4шт.

33

A42127

SCREW,3/8" - 24 x 0.20"

- 3/8 x 5/8" NF Phillips head

8шт.

34

A44169

INSULATOR

- coil terminal

1шт.

35

A41977

RUBBER INSULATOR

INSULATOR - coil end

1шт.

A41925

BUSHING

ASSEMBLY - field coil terminal, Includes: Ref. 37 and 38

1шт.

37

NSS

NOT SOLD SEPARAT

INSULATOR

1шт.

38

NSS

NOT SOLD SEPARAT

SUPPORT - insulator

1шт.

39

D30005

INSULATOR

- outer, field terminal

1шт.

40

D30006

WASHER

- terminal

1шт.

41

A40894

CONNECTOR, ELEC

CONNECTOR - field, Serial Range: terminal-solenoid

1шт.

42

A41971

WASHER

- terminal stud insulator

1шт.

43

129-145

JAM NUT,Jam, 1/2"-13, G5

2шт.

44

A47890

NUT

NUT - 1/2" NC hex, special

2шт.

45

A47894

SCREW,#8 - 32 x 5/16"

- coil lead to brush holder

2шт.

Выбрано товаров: 39