Запчасти Case 50 (4-084) - ENGINE WIRING HARNESS, (DETROIT DIESEL 6V-53 ENGINE) (04) - ELECTRICAL SYSTEMS

Схема запчастей Case 50 - (4-084) - ENGINE WIRING HARNESS, (DETROIT DIESEL 6V-53 ENGINE) (04) - ELECTRICAL SYSTEMS
FIT
1:1
100%

Артикул

Название

Примечание

Количество

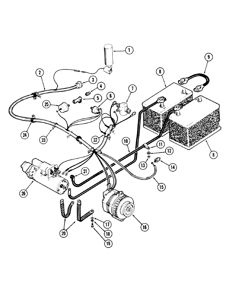
1

REF

INSTRUCTION

KIT - cold start (See Figure 2-18)

1шт.

2

S614354

HARNESS

- wire, engine - connects to cab harness, Includes: Ref. 3

1шт.

3

S107265

PLUG

CONNECTOR - electrical, male, 8 contact

1шт.

4

217-1079

HYD CONNECTOR,1/8" - 27 NPTF

ADAPTER - 1/8" NPT, into engine

1шт.

5

217-1160

TEE,1/8"-27 Female

- 1/8" NPT, onto adapter

1шт.

6

S63884

SWITCH

- pressure

1шт.

7

S219533

SOLENOID

RELAY

1шт.

8

L13308

DRY BATTERY

- 12 volt, dry

2шт.

9

S237885

NEG BATTERY CABLE

CABLE -, Serial Range: battery-battery

1шт.

10

S236999

CABLE PULLING GRIP

CABLE - battery, Serial Range: starter-battery

2шт.

11

49885

CLAMP

-, Serial Range: cable-frame

1шт.

12

195-525

WASHER,3/8", SAE

- flat, 3/8"

1шт.

13

131-52

NUT,3/8"-16, GC

NUT - self locking, 3/8" NC

1шт.

14

S108396

SENDER UNIT

SENDING UNIT - engine temperature

1шт.

15

REF

INSTRUCTION

LOOM - around wire 36T, 21" (533.4 MM) long - cut from S118377

21шт.

16

REF

INSTRUCTION

ALTERNATOR - 24 volt with regulator (See Figure 4-72)

1шт.

17

195-525

WASHER,3/8", SAE

- flat, 3/8"

2шт.

18

192-21

LOCK WASHER,3/8"

WASHER, LOCK, 3/8"

1шт.

19

113-206

BOLT,Hex, 3/8" - 16 x 3/4", Gr 5, Full Thd

1шт.

20

S226940

ELECTRICAL WIRE

CABLE - ground, starter to engine and, Serial Range: engine-turntable

2шт.

21

S115407

BOOT

- rubber

1шт.

22

S237284

RESISTOR

1шт.

23

L18331

CABLE TIE,375.9mm L, Nylon, Black

TIE - cable

1шт.

24

R14668

CLAMP

- harness to engine, use existing hardware

1шт.

25

S108398

TRANSMITTER

SENDING UNIT - (See Figure 4-82)

1шт.

26

REF

INSTRUCTION

STARTER - (Furnished with engine)

1шт.

S118377

LOOM

- wire, 20' (6.1 M) Roll

1шт.

Выбрано товаров: 27