Запчасти Case 50 (4-098) - WINDSHIELD WIPER AND DOME LAMP (04) - ELECTRICAL SYSTEMS

Схема запчастей Case 50 - (4-098) - WINDSHIELD WIPER AND DOME LAMP (04) - ELECTRICAL SYSTEMS
FIT
1:1
100%

Артикул

Название

Примечание

Количество

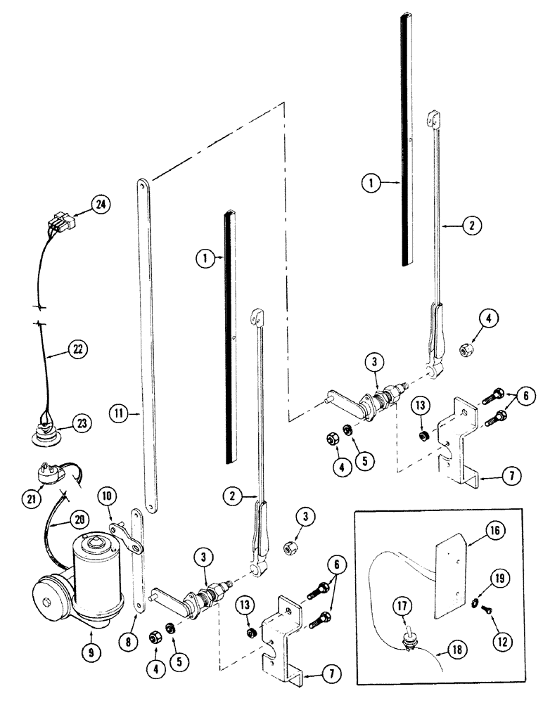
S956286

CAB

Includes: Ref. 1 - 24

1шт.

1

S90047

HALF BLADE

BLADE - wiper

2шт.

2

F92741

ARM - wiper

2шт.

3

S239731

SHAFT

- wiper pivot

2шт.

4

129-17

NUT,Hex, #10 - 24

NUT - No. 10 NC

4шт.

5

193-99

LOCK WASHER,Int Tooth, #10

WASHER, LOCK, Int Tooth, #10

4шт.

6

182-524

SCREW,Cross Pan Hd, #10 - 24 x 5/8"

BOLT - No. 10 NC x 5/8"

8шт.

7

S239792

BRACKET

2шт.

8

S117642

LINKAGE ARM - short

1шт.

9

S61879

WIPER MOTOR - 24 volt

1шт.

10

S117262

ARM - drive

1шт.

11

S239734

LINKAGE ARM - long

1шт.

12

182-123

SCREW,Sl Pan Hd, #10 - 24 x 3/8"

- No. 10 NC x 3/8"

2шт.

13

S90068

BUSHING

1шт.

14

S117721

CLIP - wire (Not illustrated)

2шт.

15

S218046

GASKET

- used on Ref. 3 (Not illustrated)

2шт.

16

S117653

COURTESY LIGHT

DOME LAMP

1шт.

17

S117668

SWITCH

- toggle

1шт.

18

S117654

ELECTRICAL WIRE

WIRE - 16 gauge x 133" long

1шт.

19

192-18

LOCK WASHER,Helical Spring, #10, 0.196" ID, CST, ZND

WASHER, LOCK, #10

2шт.

20

S239798

HARNESS - wire, windshield wiper, Includes: Ref. 21

1шт.

21

S117619

PLUG

SOCKET - male

1шт.

22

S239623

HARNESS

- wire, cab, Includes: Ref. 23

1шт.

23

S117120

DRAG LINK

SOCKET - female

1шт.

24

223-172

CONNECTOR, ELEC

BODY - connector, female, 8 contact

1шт.

Выбрано товаров: 25