Запчасти Case 50 (4-102) - WORK LAMPS AND ATTACHING PARTS (04) - ELECTRICAL SYSTEMS

Схема запчастей Case 50 - (4-102) - WORK LAMPS AND ATTACHING PARTS (04) - ELECTRICAL SYSTEMS
FIT
1:1
100%

Артикул

Название

Примечание

Количество

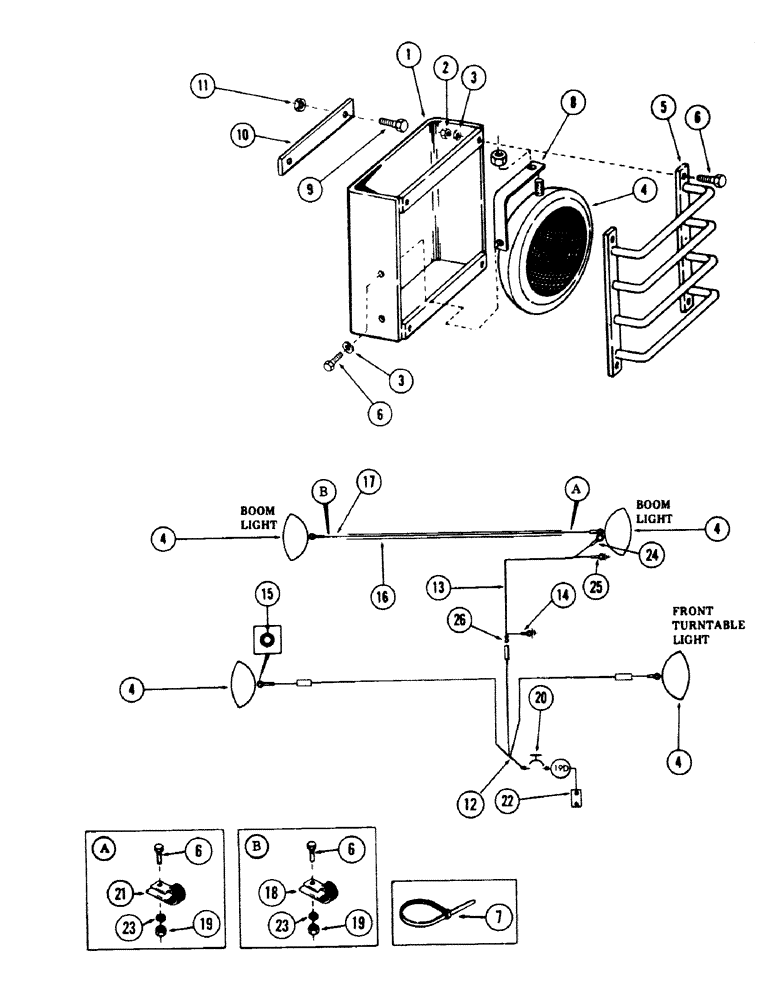
1

S212579

GUARD

- housing

3шт.

2

129-103

NUT,Hex, 3/8" - 16, Gr 5

NUT, 3/8"-16, G5

22шт.

3

192-21

LOCK WASHER,3/8"

WASHER, LOCK, 3/8"

22шт.

4

D51222

LIGHT ASSY.

LAMP - work

3шт.

5

S212578

PROTECTOR

GUARD - protector

3шт.

6

113-208

BOLT,Hex, 3/8" - 16 x 1-1/4", Gr 5

22шт.

7

L18331

CABLE TIE,375.9mm L, Nylon, Black

TIE - cable

1шт.

8

S222287

BRACKET

ASSY

3шт.

9

80087972

BOLT,Hex, 1/2" - 13 x 2 1/2", Gr 5

- 1/2" x 2-1/2" NC hex (Grade 5)

2шт.

10

S86493

SPACER

- (Mounts between Ref. 1 and turntable)

1шт.

11

131-492

NUT,1/2"-13

NUT - lock, 1/2" NC hex

2шт.

12

S239448

HARNESS

- wire

1шт.

13

S69808

WIRE - (Bulk) - 1 piece x 400" (10.16 M) long

1шт.

14

223-52

FUSE

TERMINAL - eyelet

1шт.

15

A61144

GROMMET,1/2" ID x 13/16" Groove Dia, Str Cut

- (In cab)

2шт.

16

REF

INSTRUCTION

LOOM - 36" (914 MM) long, cut from S118377

1шт.

17

S237762

ELECTRICAL WIRE

WIRE - jumper

1шт.

18

S15543

CLAMP,7/16", Insul, 1/2" Bolt

1шт.

19

129-103

NUT,Hex, 3/8" - 16, Gr 5

NUT, 3/8"-16, G5

1шт.

20

S88636

IGNITION SWITCH

SWITCH - lamp

1шт.

21

NLS

NO LONGER SERVICED

1шт.

22

S115714

BREAKER

- circuit

1шт.

23

192-21

LOCK WASHER,3/8"

WASHER, LOCK, 3/8"

1шт.

24

223-62

TERMINAL - eyelet

1шт.

25

223-59

TERMINAL CONNECTOR

TERMINAL - eyelet

1шт.

26

223-191

TERMINAL CONNECTOR,14 - 16

TERMINAL - male wire

3шт.

S118377

LOOM

- 240" (6096 MM) long

1шт.

Выбрано товаров: 27