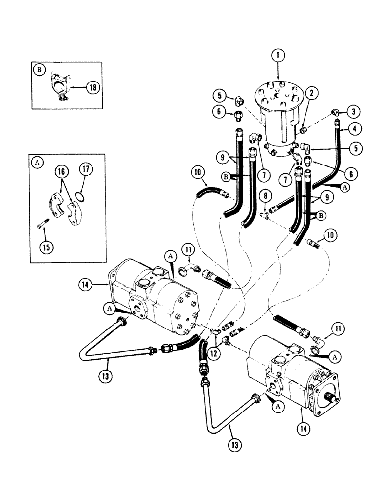
Запчасти Case 50 (6-132) - LOWER TRACK DRIVE MOTOR TUBING AND DRAIN (06) - POWER TRAIN

Схема запчастей Case 50 - (6-132) - LOWER TRACK DRIVE MOTOR TUBING AND DRAIN (06) - POWER TRAIN
FIT
1:1
100%

Артикул

Название

Примечание

Количество

1

REF

INSTRUCTION

SWIVEL - 7 port hydraulic (See Figure 8-227)

1шт.

2

218-724

REDUCER,37º, 1 5/16"-12, Fem x 9/16"-18 Male

BUSHING - reducer

1шт.

3

218-980

ELBOW,90 Degree, 9/16"-18, 37 Degree x 9/16"-18, 37 Degree Fem Sw

- 90 degree swivel, 3/8" tube 9/16" - 18

1шт.

4

S227396

HOSE ASSY.

HOSE -, Serial Range: swivel-tee

1шт.

5

218-5231

ELBOW,90 Degree, 1 1/16"-12, 37 Degree x 1 1/16"-12, 37 Degree Fem Sw

3/4" tube 90º, 1 1/16"-12, 37º x 1 1/16"-12, 37º Fem Sw

2шт.

6

218-728

REDUCER,37 Degree, 1 1/16"-12, Fem x 1 5/16"-12 Male

- tube, 1" x 3/4" reduction

2шт.

7

218-5234

ELBOW,90 Degree, 1 5/16"-12, 37 Degree x 1 5/16"-12, 37 Degree Fem Sw

- 90 degree swivel, 1" tube x 1-5/16" - 12

2шт.

8

218-593

TEE,9/16"-18, 37 Degree

- 3/8" tube x 3/8" tube x 9/16" - 18

1шт.

9

S401534

HOSE ASSY.

HOSE - swivel to drive motor

4шт.

10

S227395

HOSE

- tee to drive motor

2шт.

11

S234440

ELBOW

TUBE - hydraulic

2шт.

12

218-5105

ELBOW,90 Degree Elbow, 9/16" - 18 Male JIC x 9/16" - 18 Male ORB

- 90 degrees, 3/8" tube x 9/16" - 18

2шт.

218-5005

O-RING,0.078" Thk x 0.468" ID, -906, Cl 6, 90 Duro

6-1, 90 Duro, .468" ID x .078" Thk

2шт.

13

S237163

TUBE,1.25" OD x 7.81, 10.28" L

- hydraulic

2шт.

14

REF

INSTRUCTION

MOTOR - track drive (See Figure 6-130)

2шт.

15

113-417

BOLT,Hex, 1/2" - 13 x 1-1/4", Gr 5, Full Thd

16шт.

16

A14157

FLANGE

CLAMP - tube

4шт.

17

S6589

O-RING

1шт.

18

S98324

CLAMP

- tube

4шт.

Выбрано товаров: 19