Запчасти Case 50 (7-136) - HI-LOW RANGE AND DRIVE BRAKE TUBING (07) - BRAKES

Схема запчастей Case 50 - (7-136) - HI-LOW RANGE AND DRIVE BRAKE TUBING (07) - BRAKES
FIT
1:1
100%

Артикул

Название

Примечание

Количество

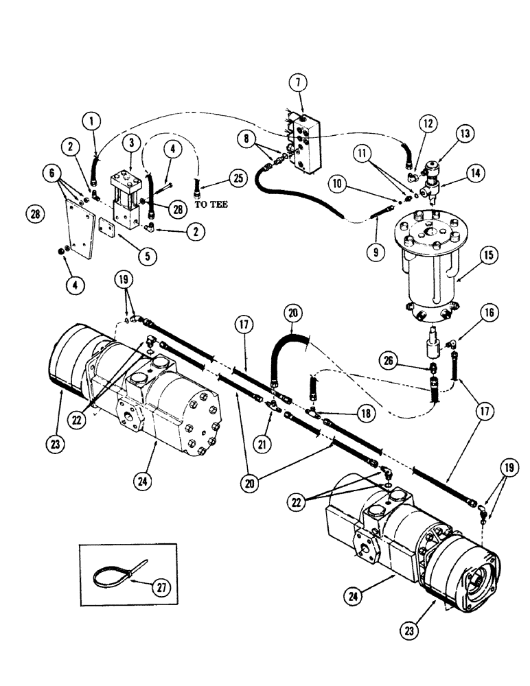
1

S77121

HOSE

- valve to swivel, 20" (508 MM) long

1шт.

2

218-1053

ELBOW,90 Degree, 9/16"-18, 37 Degree x 3/8"-18, NPTF

- 90 degrees, 3/8" tube x 9/16" - 18 x 3/8" NPT

2шт.

3

REF

INSTRUCTION

VALVE - solenoid, hi-low range selector (See Figure 7-142)

1шт.

4

113-4

BOLT,Hex, 1/4" - 20 x 1", Gr 5

- 1/4" x 2" NC hex (Grade 5)

2шт.

86625061

NUT,1/4"-20, GB

NUT - self locking, 1/4" NC

2шт.

5

S106054

BAR

1шт.

6

S229694

BRACKET

1шт.

7

REF

INSTRUCTION

VALVE - solenoid monoblock (See Figure 8-166)

1шт.

8

218-5057

HYD CONNECTOR,9/16" - 18 JIC x 9/16" - 18 ORB

CONNECTOR - 3/8" tube x 9/16" - 18

1шт.

218-5005

O-RING,0.078" Thk x 0.468" ID, -906, Cl 6, 90 Duro

6-1, 90 Duro, .468" ID x .078" Thk

1шт.

9

S227396

HOSE ASSY.

HOSE - monoblock valve to swivel, 50" (1270 MM) long

1шт.

10

S89669

VALVE

RESTRICTOR - flow

1шт.

11

218-5352

HYD CONNECTOR,9/16"-18, 37 Degree x 7/16"-20, O-Ring

CONNECTOR - 3/8" tube x 9/16" - 18

1шт.

218-5003

O-RING,0.072" Thk x 0.351" ID, -904, Cl 6, 90 Duro

1шт.

12

218-980

ELBOW,90 Degree, 9/16"-18, 37 Degree x 9/16"-18, 37 Degree Fem Sw

- 90 degree swivel, 3/8" tube x 9/16" - 18

1шт.

13

REF

INSTRUCTION

SWIVEL - service (See Figure 7-140)

1шт.

14

REF

INSTRUCTION

SWIVEL - inner (See Figure - 7-138)

1шт.

15

REF

INSTRUCTION

SWIVEL - 7-port (See Figure 8-226)

1шт.

16

218-481

ELBOW,90 Degree Elbow, 7/16" - 20 Male JIC x 1/8" - 27 Male NPTF

- 90 degrees, 1/4" tube x 7/16" - 20 x 1/8" NPT

1шт.

17

S77467

HOSE

- swivel to track brake, 38" (965.2 MM) long

3шт.

18

218-591

TEE,7/16"-20, 37 Degree

- 1/4" tube x 7/16" - 20

1шт.

19

218-5133

ELBOW,45 Degree Elbow, 7/16" - 20 Male JIC x 7/16" - 20 Male ORB

- 45 degrees adjustable, 1/4" tube x 7/16" - 20

2шт.

218-5003

O-RING,0.072" Thk x 0.351" ID, -904, Cl 6, 90 Duro

1шт.

20

S11227

HOSE

- tee to track motor, 36" (914.4 MM) long

3шт.

21

218-594

TEE,3/4"-16, 37 Degree

- 1/2" tube x 3/4" - 16

1шт.

22

218-5280

ELBOW,90 Degree, 3/4"-16, 37 Degree x 9/16"-18, O-Ring

- 90 degrees adjustable, 1/2" tube x 3/4" - 16 x 9/16 - 18

2шт.

23

REF

INSTRUCTION

BRAKE - track drive (See Figure 7-144)

2шт.

24

REF

INSTRUCTION

MOTOR - track drive (See Figure 6-130)

2шт.

25

S77121

HOSE

- valve to tee, 20" (508 MM) long

1шт.

26

218-455

HYD CONNECTOR,3/4" - 16 Male JIC x 1/4" - 18 Male NPTF

ADAPTER - 1/2" tube x 3/4" - 16 x 1/4" NPT

1шт.

27

L18331

CABLE TIE,375.9mm L, Nylon, Black

TIE - cable, use with hoses

1шт.

28

195-518

WASHER,1/4", SAE

- flat, 9/32

4шт.

218-5006

O-RING,0.087" Thk x 0.644" ID, -908, Cl 6, 90 Duro

8-1, 90 Duro, .644" ID x .087" Thk

1шт.

Выбрано товаров: 33