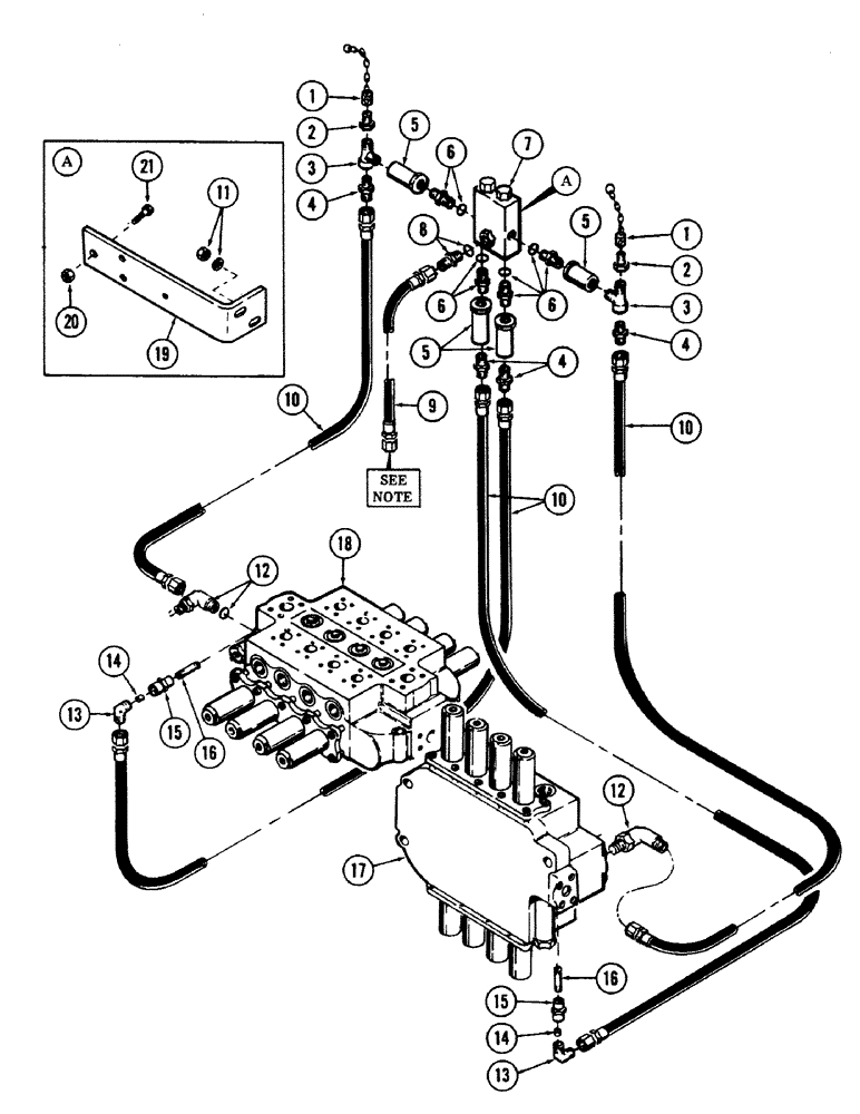
Запчасти Case 50 (8-206) - MAIN CONTROL VALVE POWER SENSING TUBING (08) - HYDRAULICS

Схема запчастей Case 50 - (8-206) - MAIN CONTROL VALVE POWER SENSING TUBING (08) - HYDRAULICS
FIT
1:1
100%

Артикул

Название

Примечание

Количество

1

S206608

CAP

DISCONNECT - quick

2шт.

2

S206607

DISC

CAP - dust

2шт.

3

217-1175

TEE,1/8"-27 Male x 1/8"-27 Female Run

- 1/4" NPT

2шт.

4

218-455

HYD CONNECTOR,3/4" - 16 Male JIC x 1/4" - 18 Male NPTF

ADAPTER - 1/2" tube x 3/4" - 16 x 1/4" NPT

4шт.

5

S98004

FILTER

VALVE - check

4шт.

6

218-5440

FITTING

CONNECTOR - 3/8" tube x 9/16" - 18 x 1/4" NPT

4шт.

218-5005

O-RING,0.078" Thk x 0.468" ID, -906, Cl 6, 90 Duro

6-1, 90 Duro, .468" ID x .078" Thk

4шт.

7

REF

INSTRUCTION

VALVE - power sensing relief (See Figure 8-184)

1шт.

8

218-5066

HYD CONNECTOR,7/8" - 14 Male JIC x 3/4" - 16 Male ORB

CONNECTOR, HYD., 5/8" tube x 3/4"-16 x 7/8"-14

1шт.

9

S8581

HOSE ASSY.

HOSE - high pressure, 1/2" (12.7 MM) ID x 48" (1219.2 MM) long

4шт.

10

S11229

HOSE ASSY.

HOSE - high pressure, 1/2" (12.7 MM) ID x 48" (1219.2 MM) long

4шт.

11

131-70

NUT,1/2"-13, GB

NUT - self locking, 1/2" NC (Bracket to turntable)

2шт.

S95569

WASHER

- flat, 1/2"

2шт.

12

218-5280

ELBOW,90 Degree, 3/4"-16, 37 Degree x 9/16"-18, O-Ring

- 90 degree, 1/2" tube x 3/4" - 16 x 9/16" - 18

2шт.

218-5005

O-RING,0.078" Thk x 0.468" ID, -906, Cl 6, 90 Duro

6-1, 90 Duro, .468" ID x .078" Thk

2шт.

13

218-1055

ELBOW,90 Degree, 3/4"-16, 37 Degree x 1/4"-18, NPTF

- 90 degree, 1/2" tube x 3/4" - 16 x 1/4" NPT

2шт.

14

S114980

ADAPTER

RESTRICTOR - flow

2шт.

15

221-790

COUPLING - pipe reducing, 1/8" NPT x 1/4" NPT

2шт.

16

221-1908

PIPE,Nipple, 3/4" NPT x 2", X-Strng

NIPPLE - long, 1/8" NPT

2шт.

17

REF

INSTRUCTION

VALVE - 4-spool main control (See Figure 8-168)

1шт.

18

REF

INSTRUCTION

VALVE - 4-spool main control (See Figure 8-170)

1шт.

19

S512938

BRACKET - valve mounting

1шт.

20

86625061

NUT,1/4"-20, GB

NUT - self locking, 1/4" NC

2шт.

21

113-15

BOLT,Hex, 1/4" - 20 x 2-1/4", Gr 5

- 1/4" x 2-1/4" NC hex (Grade 5)

2шт.

218-5006

O-RING,0.087" Thk x 0.644" ID, -908, Cl 6, 90 Duro

8-1, 90 Duro, .644" ID x .087" Thk

1шт.

Выбрано товаров: 25