Запчасти Case 50 (8-210) - FOOT CONTROL VALVE AND DRIVE LOCK TUBING (08) - HYDRAULICS

Схема запчастей Case 50 - (8-210) - FOOT CONTROL VALVE AND DRIVE LOCK TUBING (08) - HYDRAULICS
FIT
1:1
100%

Артикул

Название

Примечание

Количество

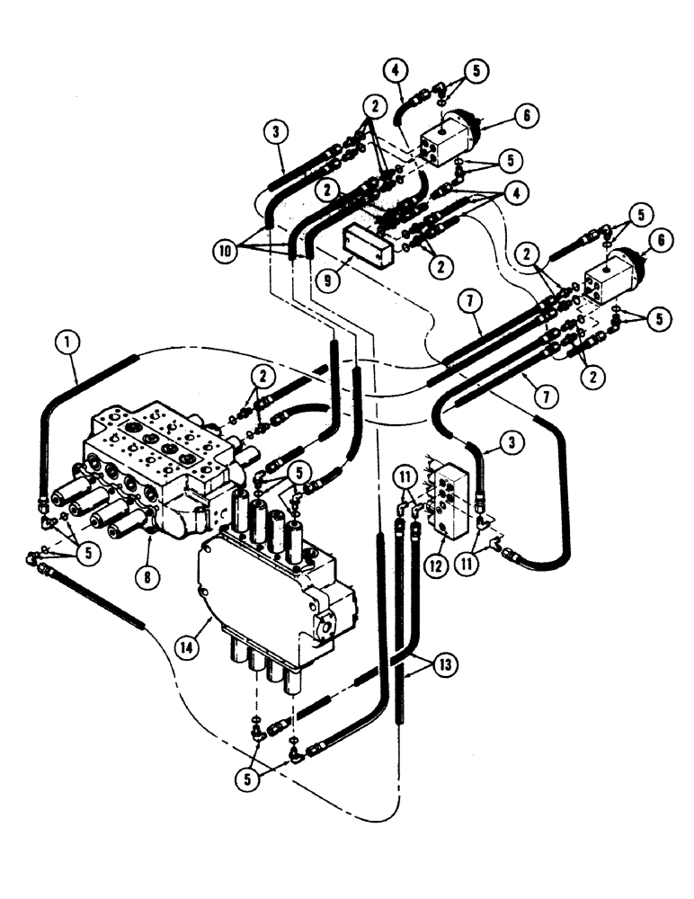
1

S232016

HOSE, high pressure - 3/8" (9.5 MM) ID x 100" (2540 MM) long - (With 9/16" - 18 female pressed on couplings)

1шт.

2

218-5057

HYD CONNECTOR,9/16" - 18 JIC x 9/16" - 18 ORB

CONNECTOR - (3/8" tube) - 9/16" - 18 male x 9/16" - 18 male - 37 degree flared

13шт.

218-5005

O-RING,0.078" Thk x 0.468" ID, -906, Cl 6, 90 Duro

6-1, 90 Duro, .468" ID x .078" Thk

13шт.

3

S232015

HOSE, high pressure - 3/8" (9.5 MM) ID x 80" (2032 MM) long - (With 9/16" - 18 female pressed on couplings)

2шт.

4

S227395

HOSE

high pressure - 3/8" (9.5 MM) ID x 21" (533.4 MM) long - (With 9/16" - 18 female pressed on couplings)

4шт.

5

218-5105

ELBOW,90 Degree Elbow, 9/16" - 18 Male JIC x 9/16" - 18 Male ORB

90 degree adjustable - (3/8" tube) - 9/16" - 18 male x 9/16" - 18 male - 37 degree flared

10шт.

6

REF

INSTRUCTION

VALVE, control - (For breakdown, see Figure 8-180)

2шт.

7

S227397

HOSE ASSY.

HOSE, high pressure - 3/8" (9.5 MM) ID x 70" (1778 MM) long - (With 9/16" - 18 female pressed on couplings)

2шт.

8

REF

INSTRUCTION

VALVE, 4-spool main control - (Outside) - (For breakdown, see Figure 8-170)

1шт.

9

S236862

BLOCK

manifold

1шт.

10

S227399

HOSE, high pressure - 3/8" (9.5 MM) ID x 125" (3175 MM) long (With 9/16" - 18 female pressed on couplings)

3шт.

11

218-5135

ELBOW,45 Degree Elbow, 9/16" - 18 Male JIC x 9/16" - 18 Male ORB

45 degree adjustable - (3/8" tube) - 9/16" - 18 male x 9/16" - 18 male - 37 degree flared

4шт.

218-5005

O-RING,0.078" Thk x 0.468" ID, -906, Cl 6, 90 Duro

6-1, 90 Duro, .468" ID x .078" Thk

4шт.

12

REF

INSTRUCTION

VALVE, solenoid monoblock - (For breakdown, see Figure 8-166)

1шт.

13

S227396

HOSE ASSY.

HOSE, high pressure - 3/8" (9.5 MM) ID x 50" (1270 MM) long - (With 9/16" - 18 female pressed on coupling)

2шт.

14

REF

INSTRUCTION

VALVE, 4-spool main control - (Inside) - (For breakdown, see Figure 8-168)

1шт.

Выбрано товаров: 16