Запчасти Case CX130 (08-037) - HYDRAULICS - PILOT (08) - HYDRAULICS

Схема запчастей Case CX130 - (08-037) - HYDRAULICS - PILOT (08) - HYDRAULICS
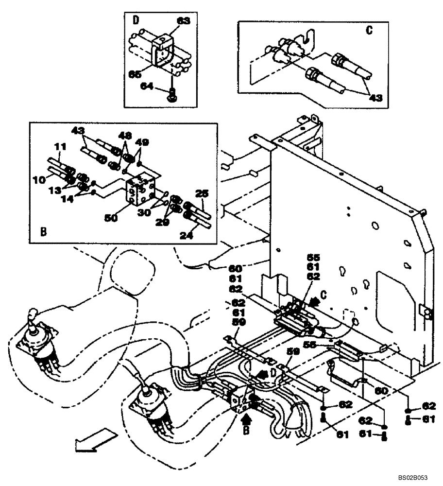
63
14
59
61
66
25
62
10
55
62
59
61
61
43
30
62
13
61
61
64
65
60
43
62
61
29
24
48
50
49
62
60
11
62
FIT
1:1
100%

Артикул

Название

Примечание

Количество

Attachment

1шт.

All Models

1шт.

10

159214A1

HYDRAULIC HOSE

1200 mm (47-1/4 in), See Figure 08-38

1шт.

11

159213A1

HYDRAULIC HOSE

1150 mm (45-3/8 in), See Figure 08-38

1шт.

13

152128A1

HYD CONNECTOR,3/8" NPT O-Ring x 3/8" NPT

Incl. 14

2шт.

14

154475A1

O-RING

1шт.

24

159214A1

HYDRAULIC HOSE

1200 mm (47-1/4 in), See Figure 08-38

1шт.

25

159213A1

HYDRAULIC HOSE

1150 mm (45-3/8 in), See PFigure 08-38

1шт.

29

152128A1

HYD CONNECTOR,3/8" NPT O-Ring x 3/8" NPT

Incl. 30

2шт.

30

154475A1

O-RING

1шт.

43

152751A1

HOSE,95.00 mm ID x 1000.00 mm

2шт.

48

152128A1

HYD CONNECTOR,3/8" NPT O-Ring x 3/8" NPT

Incl. 49

2шт.

49

154475A1

O-RING

1шт.

50

KRJ5903

MANIFOLD

1шт.

55

KHJ1397

SUPPORT

2шт.

59

KHJ1393

CLAMP

2шт.

60

KHJ1396

CLAMP

2шт.

61

627-8012

BOLT,Hex, M8 x 1.25 x 12mm, Cl 10.9, Full Thd

8шт.

62

153081A1

WASHER

12шт.

63

150860A1

COLLAR

1шт.

64

840-168

SCREW,Pan, M6 x 1 x 8mm, Cl 4.8

1шт.

65

150071A1

MOUNTING CLIP

1шт.

Выбрано товаров: 22