Запчасти Case CX130 (09-06) - FRAMES, COVERS - INSULATION (09) - CHASSIS

Схема запчастей Case CX130 - (09-06) - FRAMES, COVERS - INSULATION (09) - CHASSIS
26
0
58
58
56
2
25
54
57
48
28
2
65
134
135
63
16
41
9
26
14
51a
68
66
38
67
4
27
25
56
42
30
40
7
7
52
29
87
142
64
13
12
62
51
48
52
8a
53
39
6
15
55
61
82
59
48
18
11
60
48
17
25
8
5
85
58
FIT
1:1
100%

Артикул

Название

Примечание

Количество

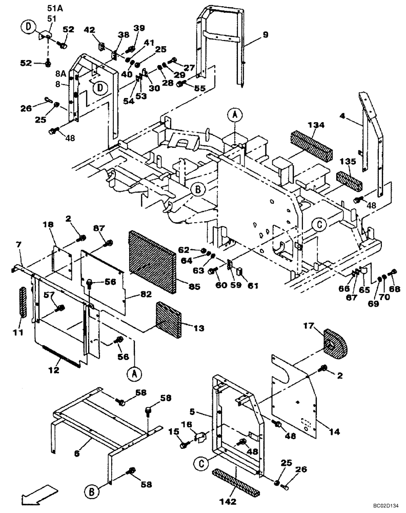
Upper Structure

1шт.

2

152718A1

BOLT,Spcl, Hex Wshr, M12 x 25mm, Cl 10.9

9шт.

4

KNN1304

FRAME

Left Hand

1шт.

5

KNN1305

FRAME

Left Hand

1шт.

6

KNN1311

FRAME

Center

1шт.

7

KNN1344

FRAME

Center

1шт.

8

KNN1345

FRAME

Right Hand, DAC0713099 - DAC0713245

1шт.

8a

KNN1350

SUPPORT ASSY.

Right Hand, DAC0713246 -

1шт.

9

KNN1307

FRAME

Right Hand

1шт.

11

KNN1327

FOAM INSULATION

1шт.

12

HKH0048

SEAL

1шт.

13

KNN1264

NOISE PROTECTION

1шт.

14

KNN1312

COVER

Center

1шт.

15

627-8016

BOLT,Hex, M8 x 1.25 x 16mm, Cl 10.9, Full Thd

2шт.

896-15008

WASHER,9mm ID x 21mm OD x 2.5mm Thk

2шт.

16

152772A1

HOLDER

Grease Gun

1шт.

17

KNN1318

NOISE PROTECTION

1шт.

18

KNN1348

COVER

1шт.

25

829-1310

NUT,M10, Cl 10

4шт.

26

159091A1

STOP

Door

2шт.

27

627-12035

BOLT,Hex, M12 x 1.75 x 35mm, Cl 10.9, Full Thd

2шт.

28

896-11012

WASHER,13.5mm ID x 24mm OD x 3mm Thk

2шт.

29

892-11012

LOCK WASHER,M12

2шт.

30

KHN2062

BRACKET

1шт.

38

KHN2417

BRACKET

1шт.

39

627-10020

BOLT,Hex, M10 x 1.5 x 20mm, Cl 10.9, Full Thd

2шт.

896-11010

WASHER,11mm ID x 21mm OD x 2.5mm Thk

2шт.

40

892-11010

LOCK WASHER,M10

2шт.

41

895-11010

WASHER,11mm ID x 20mm OD x 2mm Thk

2шт.

42

KRN2098

STOP

1шт.

48

152718A1

BOLT,Spcl, Hex Wshr, M12 x 25mm, Cl 10.9

8шт.

51

KNN1346

BRACKET

Used With KNN1345, REF 8

1шт.

51a

KNN1351

SUPPORT

Used With KNN1350, REF 8A

1шт.

52

152718A1

BOLT,Spcl, Hex Wshr, M12 x 25mm, Cl 10.9

2шт.

53

152719A1

SHIM

1шт.

54

158749A1

SHIM

1шт.

55

152718A1

BOLT,Spcl, Hex Wshr, M12 x 25mm, Cl 10.9

2шт.

56

152718A1

BOLT,Spcl, Hex Wshr, M12 x 25mm, Cl 10.9

3шт.

57

627-12030

BOLT,Hex, M12 x 1.75 x 30mm, Cl 10.9, Full Thd

1шт.

896-11012

WASHER,13.5mm ID x 24mm OD x 3mm Thk

1шт.

58

152718A1

BOLT,Spcl, Hex Wshr, M12 x 25mm, Cl 10.9

4шт.

59

KHN2528

BRACKET

1шт.

60

627-10020

BOLT,Hex, M10 x 1.5 x 20mm, Cl 10.9, Full Thd

2шт.

896-11010

WASHER,11mm ID x 21mm OD x 2.5mm Thk

2шт.

61

KRN2098

STOP

1шт.

62

829-1310

NUT,M10, Cl 10

2шт.

63

895-11010

WASHER,11mm ID x 20mm OD x 2mm Thk

2шт.

64

892-11010

LOCK WASHER,M10

2шт.

65

KHN2527

BRACKET

1шт.

66

152719A1

SHIM

1шт.

67

158749A1

SHIM

1шт.

68

627-12035

BOLT,Hex, M12 x 1.75 x 35mm, Cl 10.9, Full Thd

2шт.

69

896-11012

WASHER,13.5mm ID x 24mm OD x 3mm Thk

2шт.

70

892-11012

LOCK WASHER,M12

2шт.

82

KNN1313

COVER

1шт.

85

KNN1320

NOISE PROTECTION

1шт.

87

152718A1

BOLT,Spcl, Hex Wshr, M12 x 25mm, Cl 10.9

5шт.

134

KNN1267

SEAL

1шт.

135

KNN1261

SEAL

1шт.

142

KNN1263

NOISE PROTECTION

1шт.

Выбрано товаров: 60