Качественные детали и логистика
Оригинальные и аналоговые запчасти с доставкой по России, Казахстану и Беларуси
©2022 PartSell ООО "Система" ИНН 2463123282 ОГРН 1212400004838
Центральный офис: г. Красноярск, Академика Киренского, д.87, пом.4
Телефон: 8 (800) 777-65-74 Email: zakaz@partsell.ru
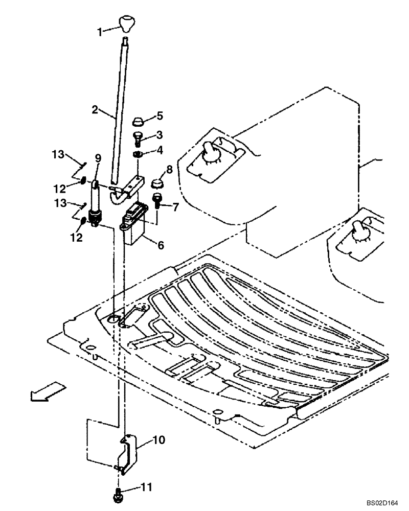
(09-15) - CONTROLS - BLADE, DOZER
№
Артикул
Название
Примечание
Количество
1
168680A1
BALL KNOB
1шт.
2
167124A1
CONTROL LEVER
Hand Control
4
153081A1
WASHER
2шт.
5
168703A1
CAP
6
168482A1
VALVE, CONTROL
See Figure 08-121
7
166351A1
BOLT,Sems, M10 x 20mm
8
159488A1
9
167854A1
SHOCK ABSORBER
10
167125A1
SUPPORT
11
166345A1
BOLT
12
895-11008
WASHER,9mm ID x 16mm OD x 1.6mm Thk
13
153077A1
COTTER PIN
3
827-8035
BOLT,Hex, M8 x 1.25 x 35mm, Cl 10.9
Выбрано товаров: 0