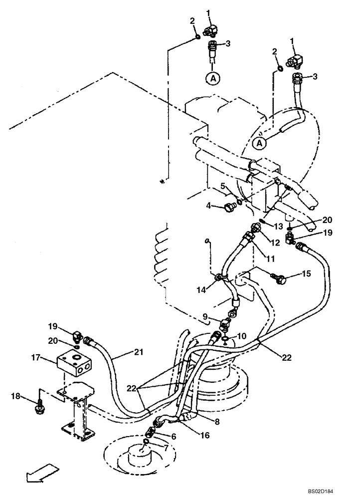
Запчасти Case CX130 (08-020) - HYDRAULICS - DRAIN LINE - MODELS WITH LOAD HOLD (DAC0713246 - DAC0713435) (08) - HYDRAULICS

Схема запчастей Case CX130 - (08-020) - HYDRAULICS - DRAIN LINE - MODELS WITH LOAD HOLD (DAC0713246 - DAC0713435) (08) - HYDRAULICS
18
20
13
2
1
1
19
16
6
15
3
4
11
10
8
22
7
3
14
12
2
22
5
17
21
20
9
FIT
1:1
100%

Артикул

Название

Примечание

Количество

Models With Load Hold

1шт.

1

150919A1

ELBOW,90 Degree, 1/2" O-Ring x 1/2"

Incl. 2

2шт.

2

154487A1

O-RING

1шт.

3

KNJ3065

HOSE,12.70 mm ID x 1150.00 mm

1шт.

4

CEA0339

PLUG

Incl. 5

1шт.

5

154475A1

O-RING

1шт.

6

157585A1

ELBOW

Incl. 7

1шт.

7

154487A1

O-RING

1шт.

8

80055A12Z075

HYDRAULIC HOSE

1шт.

9

KHJ1157

TEE

Incl. 10

1шт.

10

154475A1

O-RING

1шт.

11

KNJ2767

HYDRAULIC HOSE,520.00 mm

1шт.

12

151650A1

HYD CONNECTOR,1/2" NPT O-Ring x 1/2" NPT

Incl. 13

1шт.

13

154487A1

O-RING

1шт.

14

KHR2583

CLAMP

1шт.

15

159906A1

BOLT,Sems, Hex, M6 x 20mm, Spcl

1шт.

16

150071A1

MOUNTING CLIP

1шт.

17

KNJ2868

MANIFOLD VALVE

1шт.

18

627-10020

BOLT,Hex, M10 x 1.5 x 20mm, Cl 10.9, Full Thd

2шт.

896-11010

WASHER,11mm ID x 21mm OD x 2.5mm Thk

2шт.

19

150919A1

ELBOW,90 Degree, 1/2" O-Ring x 1/2"

Incl. 20

2шт.

20

154487A1

O-RING

1шт.

21

KNJ2836

HYDRAULIC HOSE,12.70 mm ID x 1600.00 mm

1шт.

22

150071A1

MOUNTING CLIP

4шт.

Выбрано товаров: 24