Запчасти Case CX135SR (08-031) - HYDRAULICS - BLADE CYLINDER LINE, MODELS WITHOUT LOAD HOLD (08) - HYDRAULICS

Схема запчастей Case CX135SR - (08-031) - HYDRAULICS - BLADE CYLINDER LINE, MODELS WITHOUT LOAD HOLD (08) - HYDRAULICS
11
9
6
9
9
3
5
10
3
7
4
11
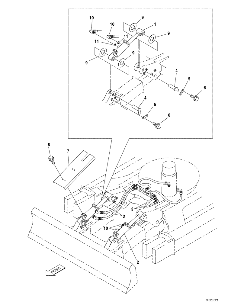
1
2
10
9
5
8
4
6
10
FIT
1:1
100%

Артикул

Название

Примечание

Количество

1

KMV2367

HYDRAULIC CYLINDER

Dozer Blade, Right Hand, See Figure 08-110

1шт.

1

KMV2367R

REMAN-HYD CYLINDER

CX135SR CRAWLER EXCAVATOR (NORTH AMERICA), Dozer Blade, Right Hand (8/02-)

1шт.

1

KMV2367C

CORE-HYD CYLINDER

Return Number

1шт.

2

KMV2368

HYDRAULIC CYLINDER

Dozer Blade, Left Hand, See Figure 08-111

1шт.

2

KMV2368R

REMAN-HYD CYLINDER

CX135SR CRAWLER EXCAVATOR (NORTH AMERICA), Dozer Blade, Right Hand (8/02-)

1шт.

2

KMV2368C

CORE-HYD CYLINDER

Return Number

1шт.

3

168697A1

HOSE ASSY.

4шт.

4

KMV2147

PIN

4шт.

5

KHV0456

PLATE

4шт.

6

166351A1

BOLT,Sems, M10 x 20mm

8шт.

7

KMV2150

COVER

2шт.

8

167893A1

BOLT

8шт.

9

KAV0395

SHIM

1шт.

10

152128A1

HYD CONNECTOR,3/8" NPT O-Ring x 3/8" NPT

Incl. 11

4шт.

11

154475A1

O-RING

1шт.

Выбрано товаров: 15