Запчасти Case CX135SR (08-053) - HYDRAULICS, AUXILIARY - MULTI-PURPOSE + 3 WAY VALVE (08) - HYDRAULICS

Схема запчастей Case CX135SR - (08-053) - HYDRAULICS, AUXILIARY - MULTI-PURPOSE + 3 WAY VALVE (08) - HYDRAULICS
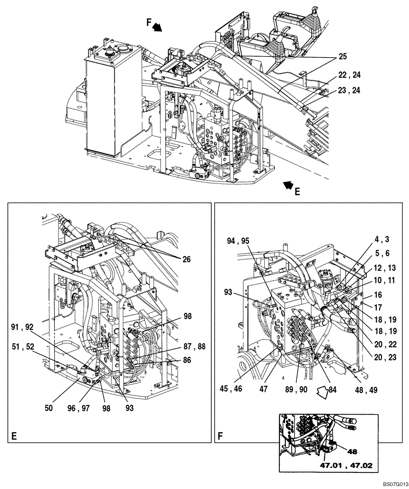
24
89
18
93
94
25
92
3
98
4
12
24
87
13
48
19
20
93
23
47.02
86
18
50
26
88
11
5
95
10
52
46
22
51
97
91
98
47.01
20
22
84
45
49
90
6
48
16
19
23
96
47
17
FIT
1:1
100%

Артикул

Название

Примечание

Количество

3

KHJ1360

O-RING,0.07" Thk x 0.739" ID

1шт.

4

KMJ2867

HOSE ASSY.,19.00 mm ID x 650.00 mm

1шт.

5

KHJ1804

ELBOW

Incl. 6

1шт.

6

154503A1

O-RING

1шт.

10

KHJ1360

O-RING,0.07" Thk x 0.739" ID

1шт.

11

KMJ2868

HOSE ASSY.,19.00 mm ID x 620.00 mm

1шт.

12

KHJ1804

ELBOW

Incl. 13

1шт.

13

154503A1

O-RING

1шт.

16

KMJ2866

BRACKET

1шт.

17

166351A1

BOLT,Sems, M10 x 20mm

4шт.

18

KHJ1348

ADAPTER

Incl. 19

2шт.

19

154503A1

O-RING

1шт.

20

KHJ1360

O-RING,0.07" Thk x 0.739" ID

2шт.

KMJ2872, HOSE SPL (NSS), Incls. Refs. 22 & 23

1шт.

22

KMJ2869

HOSE ASSY.,19.00 mm ID x 1920.00 mm

1шт.

23

KMJ2869

HOSE ASSY.,19.00 mm ID x 1920.00 mm

1шт.

24

KHJ1360

O-RING,0.07" Thk x 0.739" ID

2шт.

25

150498A1

MOUNTING CLIP

1шт.

26

KHJ2023

HOSE CLAMP

2шт.

45

150919A1

ELBOW,90 Degree, 1/2" O-Ring x 1/2"

Incl. 46

1шт.

46

154487A1

O-RING

1шт.

47

KMJ3013

HOSE ASSY.,12.70 mm ID x 880.00 mm

Replaces KMJ2765

1шт.

47.01

KHJ2021

HOSE CLAMP

2шт.

47.02

150496A1

MOUNTING CLIP

4шт.

48

168988A1

ADAPTER

Incl. 49; Replaces 157936A1 Elbow

1шт.

49

154503A1

O-RING

1шт.

50

KHJ1473

VALVE

See Figure 08-91

1шт.

51

827-10080

BOLT,Hex, M10 x 1.5 x 80mm, Cl 10.9

2шт.

52

150409A1

WASHER

10,5 x 21 x 3,2 mm

2шт.

84

KHJ2074

HOSE

1шт.

86

KHJ2174

HOSE

1шт.

87

150913A1

ELBOW,90 Degree, 1/4" O-Ring x 1/4"

Incl. 88

1шт.

88

154467A1

O-RING,10.8mm ID x 2.4mm Width

1шт.

89

150933A1

ELBOW

Incl. 90

1шт.

90

154467A1

O-RING,10.8mm ID x 2.4mm Width

1шт.

91

159497A1

TEE

Incl. 92

1шт.

92

154467A1

O-RING,10.8mm ID x 2.4mm Width

1шт.

93

KHJ2092

HOSE

1шт.

94

152127A1

HYD CONNECTOR,1/4" NPT O-Ring x 1/4" NPT

Incl. 95

1шт.

95

154467A1

O-RING,10.8mm ID x 2.4mm Width

1шт.

96

150913A1

ELBOW,90 Degree, 1/4" O-Ring x 1/4"

Incl. 97

1шт.

97

154467A1

O-RING,10.8mm ID x 2.4mm Width

1шт.

98

KHJ2245

HOSE

850 mm (33-1/2 in)

1шт.

102

KHJ2021

HOSE CLAMP

Not Illustrated

1шт.

103

150496A1

MOUNTING CLIP

Not Illustrated

2шт.

Выбрано товаров: 45