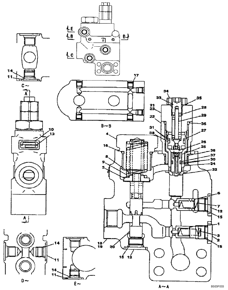
Запчасти Case CX135SR (08-105) - VALVE ASSY, RELIEF - BOOM CYLINDER, MODELS WITH LOAD HOLD (08) - HYDRAULICS

Схема запчастей Case CX135SR - (08-105) - VALVE ASSY, RELIEF - BOOM CYLINDER, MODELS WITH LOAD HOLD (08) - HYDRAULICS
8
24
7
22
27
15
14
9
35
15
11
19
4
18
36
14
33
5
21
20
11
30
11
16
12
10
25
32
38
15
17
6
31
3
36
28
12
29
2
1
34
37
26
14
13
23
FIT
1:1
100%

Артикул

Название

Примечание

Количество

KMV2850

VALVE

Incl. 1 - 38

1шт.

1

168943A1

VALVE POPPET

1шт.

2

168936A1

PLUG

1шт.

3

168948A1

SPRING

1шт.

4

168937A1

PLUG

1шт.

5

168944A1

SPRING SEAT

1шт.

6

168945A1

VALVE POPPET

1шт.

7

168949A1

SPRING

1шт.

8

168951A1

SPRING

1шт.

9

168952A1

SPRING

1шт.

10

NSS

NOT SOLD SEPARAT

Plate

1шт.

11

160083A1

PLUG

3шт.

12

155515A1

PLUG

2шт.

13

LA00769

RIVET

2шт.

14

154467A1

O-RING,10.8mm ID x 2.4mm Width

3шт.

15

154475A1

O-RING

3шт.

16

154523A1

O-RING

1шт.

17

163873A1

PLUG

6шт.

18

LR01044

BODY

Incl. 19, 20

1шт.

19

NSS

NOT SOLD SEPARAT

Body

1шт.

20

NSS

NOT SOLD SEPARAT

Spool

1шт.

21

LJ01091

VALVE, PRESSURE RELI

EF Incl. 22 - 38

1шт.

22

NSS

NOT SOLD SEPARAT

Adapter

1шт.

23

NSS

NOT SOLD SEPARAT

Body

1шт.

24

NSS

NOT SOLD SEPARAT

Poppet

1шт.

25

NSS

NOT SOLD SEPARAT

Poppet

1шт.

26

NSS

NOT SOLD SEPARAT

Spring

1шт.

27

NSS

NOT SOLD SEPARAT

Spring

1шт.

28

NSS

NOT SOLD SEPARAT

Spring

1шт.

29

NSS

NOT SOLD SEPARAT

Valve, Needle

1шт.

30

NSS

NOT SOLD SEPARAT

Ring, Backup

2шт.

31

NSS

NOT SOLD SEPARAT

Ring, Backup

2шт.

32

NSS

NOT SOLD SEPARAT

Pin

1шт.

33

NSS

NOT SOLD SEPARAT

Screw

1шт.

34

165150A1

NUT

1шт.

35

154463A1

O-RING

1шт.

36

155223A1

O-RING

2шт.

37

154457A1

O-RING

1шт.

38

154481A1

O-RING

1шт.

Выбрано товаров: 39