Запчасти Case CX135SR (09-52) - BUCKETS, ESCO - GENERAL PURPOSE BUCKETS (09) - CHASSIS/ATTACHMENTS

Схема запчастей Case CX135SR - (09-52) - BUCKETS, ESCO - GENERAL PURPOSE BUCKETS (09) - CHASSIS/ATTACHMENTS
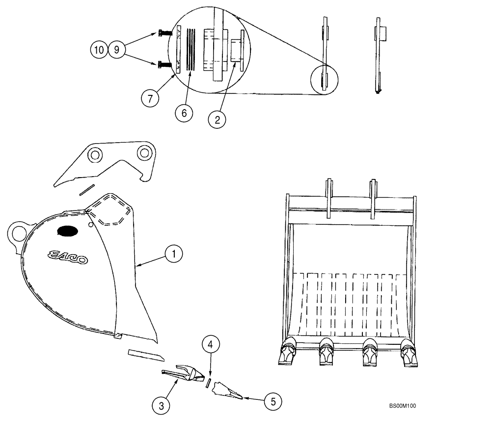
4
1
3
2
7
9
10
6
5
FIT
1:1
100%

Артикул

Название

Примечание

Количество

1

371450A1

BUCKET

With 4 Teeth; 0.38 cu m (0.50 cu yd)

1шт.

1

371451A1

BUCKET

With 4 Teeth; 0.50 cu m (0.66 cu yd)

1шт.

1

371452A1

BUCKET

With 5 Teeth, 0.63 cu m (0.82 cu yd)

1шт.

1

371453A1

BUCKET

With 6 Teeth, 0.75 cu m (0.98 cu yd)

1шт.

2

372025A1

BUSHING

1шт.

3

127557A1

ADAPTER

3-5шт.

4

233792A1

BUCKET TOOTH KEY

3-5шт.

5

127558A1

BUCKET TOOTH

3-5шт.

6

378626A1

SHIM

5шт.

7

378627A1

PLATE

1шт.

8

378628A1

PIN

Not Illustrated

2шт.

9

892-11012

LOCK WASHER,M12

4шт.

10

828-12050

BOLT,Hex, M12 x 1.75 x 50mm, Cl 10.9

4шт.

378641A1

KIT

Incl. 2, 6 - 10

1шт.

Выбрано товаров: 0