Качественные детали и логистика
Оригинальные и аналоговые запчасти с доставкой по России, Казахстану и Беларуси
©2022 PartSell ООО "Система" ИНН 2463123282 ОГРН 1212400004838
Центральный офис: г. Красноярск, Академика Киренского, д.87, пом.4
Телефон: 8 (800) 777-65-74 Email: zakaz@partsell.ru
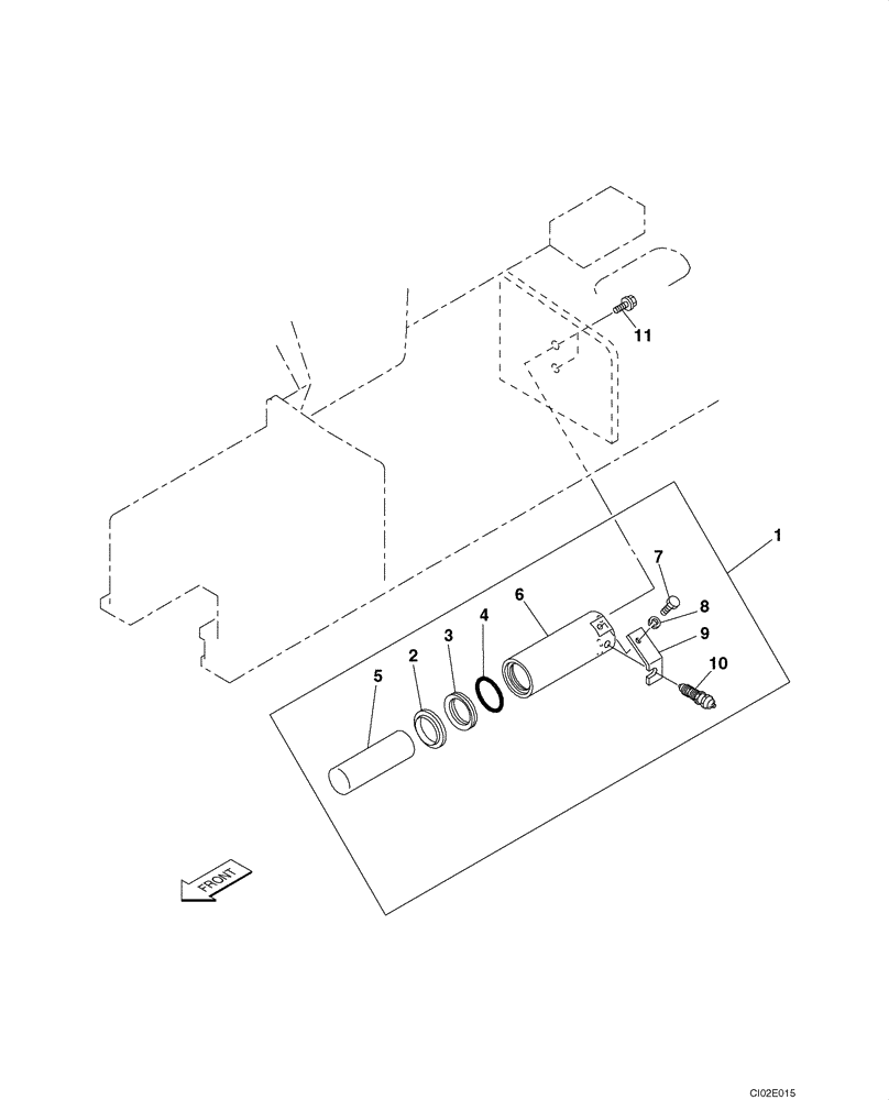
(05-06) - CYLINDER ASSY - ADJUSTER
№
Артикул
Название
Примечание
Количество
1
KMA1317
CYLINDER ASSY.
Incl. 2 - 10
2шт.
2
150557A1
SEAL,65mm ID x 79mm OD x 11mm Thk
1шт.
3
KNA0453
BACK-UP RING
Replaces 154095A1
4
154656A1
O-RING
5
KMA1319
PISTON ROD
6
KMA1318
HYD CYL SLEEVE
7
627-10020
BOLT,Hex, M10 x 1.5 x 20mm, Cl 10.9, Full Thd
8
892-11010
LOCK WASHER,M10
9
KMA1320
SUPPORT
10
150107A1
LUBE NIPPLE
11
165929A1
BOLT,Sems, M16
4шт.
Выбрано товаров: 0