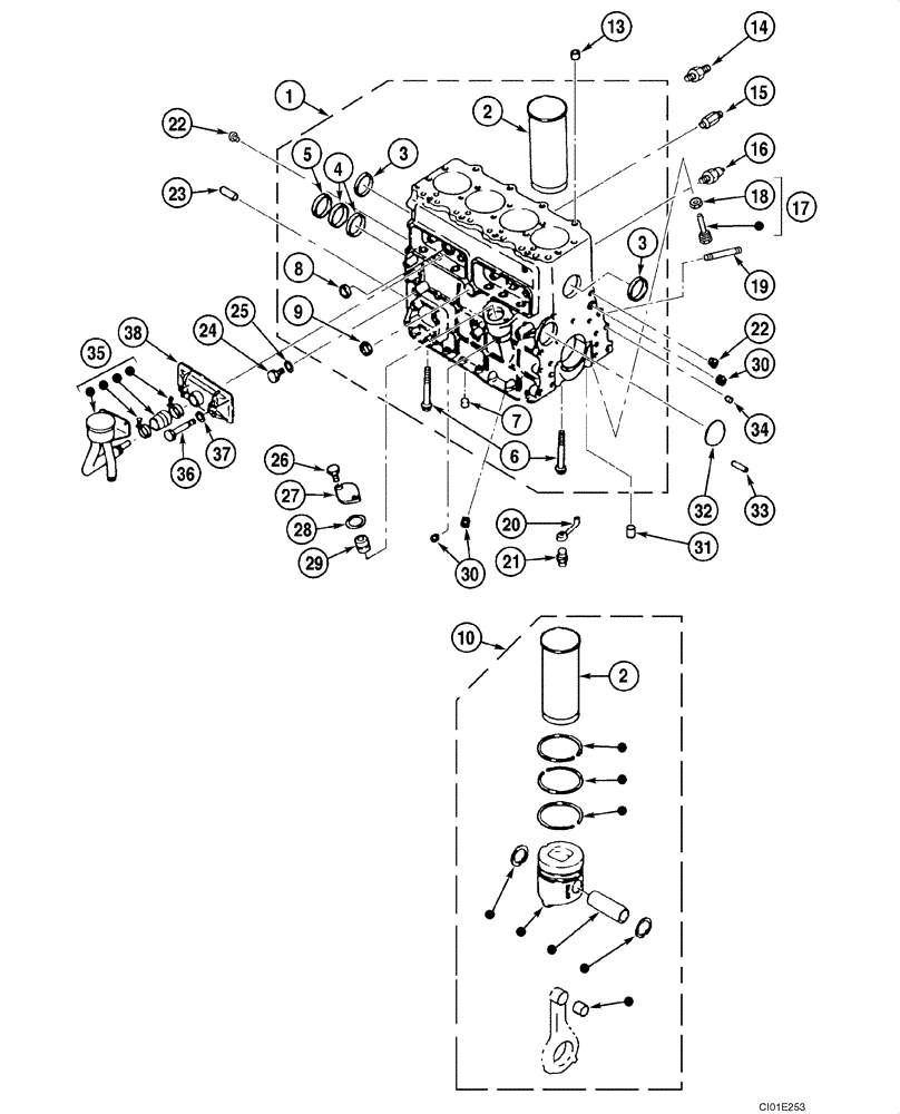
Запчасти Case CX135SR (02-26) - CYLINDER BLOCK (02) - ENGINE

Схема запчастей Case CX135SR - (02-26) - CYLINDER BLOCK (02) - ENGINE
14
37
15
19
27
36
29
30
6
28
5
25
23
16
1
22
17
21
32
2
7
26
33
31
2
38
3
18
9
34
22
3
10
13
4
35
24
20
30
8
FIT
1:1
100%

Артикул

Название

Примечание

Количество

1

289733A1

CRANKCASE

Incl. 2 - 10

1шт.

2

289119A1

SLEEVE CYLINDER

1; AX

4шт.

2

289120A1

SLEEVE CYLINDER

1; CX

4шт.

2

289121A1

SLEEVE CYLINDER

2; AX

4шт.

2

288721A1

SLEEVE CYLINDER

2; CX; Replaces 289122A1

4шт.

2

289123A1

SLEEVE CYLINDER

3; AX

4шт.

2

289124A1

SLEEVE CYLINDER

3; CX

4шт.

2

289125A1

SLEEVE CYLINDER

4; AX

4шт.

2

289126A1

SLEEVE CYLINDER

4; CX

4шт.

3

289077A1

CUP

dia 60

2шт.

4

86988789

RING

2шт.

5

289862A1

RING

1шт.

6

289047A1

BOLT

10шт.

7

289439A1

PIN

1шт.

8

362152A1

CUP

dia 32

2шт.

9

289436A1

CUP

dia 28

1шт.

10

87405701

SLEEVE ASSY

Grade 1, Incl. 2; Replaces 418899A1

1шт.

10

418901A1

SLEEVE ASSY

Grade 2, Incl. 2

1шт.

10

418902A1

SLEEVE ASSY

Grade 3, Incl. 2

1шт.

10

418903A1

SLEEVE ASSY

Grade 4, Incl. 2

1шт.

13

289613A1

PIN

dia 16

2шт.

14

289423A1

NIPPLE, LUBE

NIPPLE

1шт.

15

289106A1

BLEED SCREW,Hex, 1/2" - 13 x 2 1/4", Gr 5

1шт.

16

288883A1

PRESSURE SWITCH

Oil Pressure Sensor

1шт.

17

438081A1

VALVE

Incl. 18

1шт.

18

289419A1

PACKING

1шт.

19

289061A1

STUD

M10 x 45

1шт.

20

289192A1

JET

4шт.

21

289174A1

VALVE, CHECK

4шт.

22

289079A1

PLUG

2шт.

23

289110A1

PIN

dia 10

1шт.

24

289998A1

PLUG

M14 x 9

1шт.

25

289814A1

GASKET

1шт.

26

288995A1

BOLT

M8 x 20

2шт.

27

289118A1

COVER

1шт.

28

289086A1

PACKING

1шт.

29

289438A1

BUSHING

1шт.

30

289417A1

PLUG

7шт.

31

289999A1

PLUG

1шт.

32

289643A1

CUP

1шт.

33

289771A1

PIN

dia 10

2шт.

34

289773A1

PIN

2шт.

35

REF

INSTRUCTION

Breather, See Figure 02-22

1шт.

36

289651A1

BOLT

M8 x 56

2шт.

36

289673A1

BOLT

M8 x 84

2шт.

37

289812A1

PACKING

4шт.

38

288821A1

COVER

1шт.

38-1

289648A1

PACKING

Not Shown

1шт.

39

288820A1

COVER

Not Shown

1шт.

39-1

289648A1

PACKING

Not Shown

1шт.

Выбрано товаров: 0