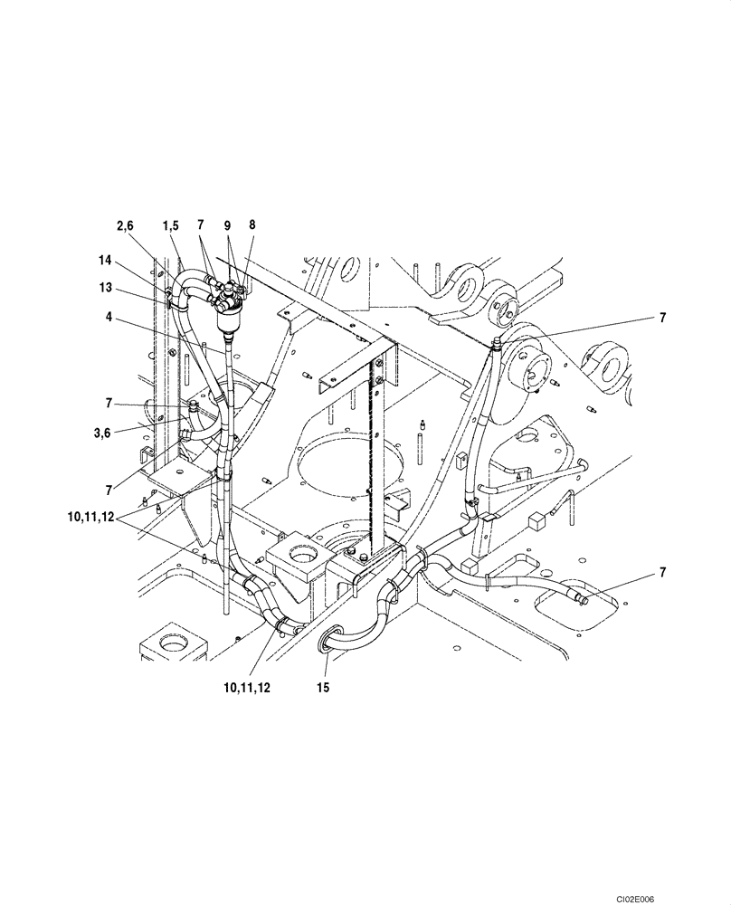
Запчасти Case CX135SR (03-02) - FUEL LINES (03) - FUEL SYSTEM

Схема запчастей Case CX135SR - (03-02) - FUEL LINES (03) - FUEL SYSTEM
7
11
12
11
8
14
4
10
5
10
7
2
7
6
13
1
3
7
12
9
6
7
15
FIT
1:1
100%

Артикул

Название

Примечание

Количество

1

KHH0478

HOSE

1шт.

2

KHH0408

FUEL HOSE

1шт.

3

KHH0410

HOSE

1шт.

4

157632A1

TUBE,9.5 mm ID, 14.5 mm OD

900 mm (35-1/4 in), Cut From 150613A1

1шт.

5

150488A1

PLASTIC-RUBBER TUBE

600 mm 23-5/8 in)

1шт.

6

158066A1

PLASTIC-RUBBER TUBE

2300 mm (90-5/8 in)

2шт.

7

KHH0405

MOUNTING CLIP

6шт.

8

KRH1343

WATER TRAP

See Figure 03-04

1шт.

9

167182A1

BOLT,Sems, M8 x 25mm

2шт.

10

150860A1

COLLAR

4шт.

11

840-168

SCREW,Pan, M6 x 1 x 8mm, Cl 4.8

4шт.

12

150496A1

MOUNTING CLIP

1шт.

13

KHR2580

CLAMP

1шт.

14

159905A1

BOLT,Sems, Hex, M6 x 25mm, Spcl

1шт.

15

KMJ2831

GROMMET

1шт.

Выбрано товаров: 15