Запчасти Case CX135SR (04-15) - STARTER ASSY (04) - ELECTRICAL SYSTEMS

Схема запчастей Case CX135SR - (04-15) - STARTER ASSY (04) - ELECTRICAL SYSTEMS
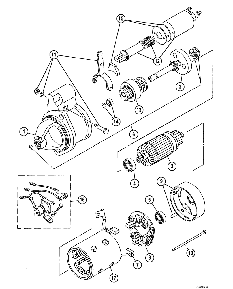
11
14
12
4
13
15
10
1
16
6
7
9
2
3
8
17
5
FIT
1:1
100%

Артикул

Название

Примечание

Количество

288876A1

STARTING MOTOR

Incl. 1 - 17, No longer Available, Order 87448774, See Figure 04-15A

1шт.

1

426241A1

BELL HOUSING

1шт.

2

426242A1

PINION SHAFT

1шт.

3

426243A1

STATOR

1шт.

4

426244A1

BALL BEARING

1шт.

5

426245A1

BALL BEARING

1шт.

6

426246A1

SET OF WASHERS

1шт.

7

86988787

BRUSH, COMMUTATOR

BRUSH

1шт.

8

426248A1

BRUSH HOLDER

HOLDER, BRUSH

1шт.

9

426250A1

COVER

1шт.

10

426251A1

BOLT

2шт.

11

426252A1

LEVER

1шт.

12

426253A1

SOLENOID SWITCH

1шт.

13

426254A1

CLUTCH

1шт.

14

426258A1

STOP

1шт.

15

426283A1

COVER

1шт.

16

87405526

RELAY

Replaces 426284A1

1шт.

17

NSS

NOT SOLD SEPARAT

Coil

1шт.

Выбрано товаров: 18