Качественные детали и логистика
Оригинальные и аналоговые запчасти с доставкой по России, Казахстану и Беларуси
©2022 PartSell ООО "Система" ИНН 2463123282 ОГРН 1212400004838
Центральный офис: г. Красноярск, Академика Киренского, д.87, пом.4
Телефон: 8 (800) 777-65-74 Email: zakaz@partsell.ru
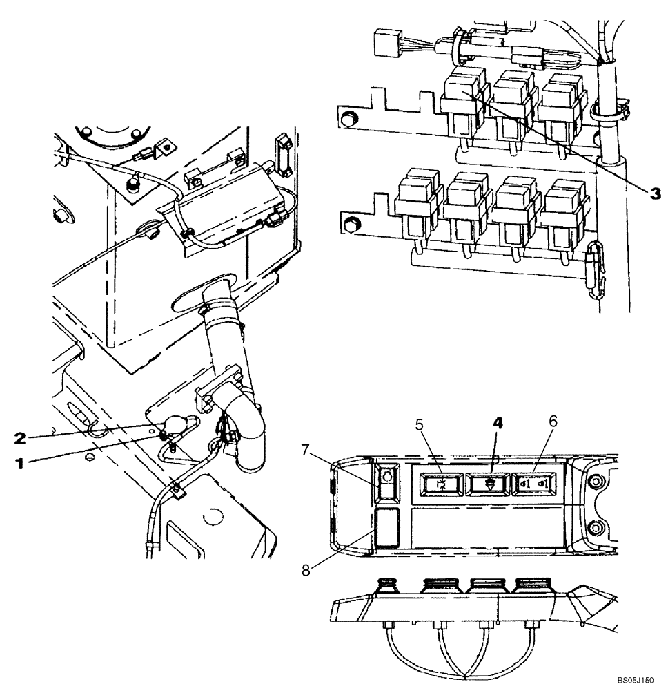
(04-17) - TRAVEL ALARM
№
Артикул
Название
Примечание
Количество
1
KHR4024
ALARM
1шт.
2
KHR1831
BOLT
3
KHR3802
RELAY
4
KHR3196
SWITCH
Travel Alarm
5
KHR3886
6
KHR3965
TOGGLE SWITCH
7
KHR3967
8
KHR3121
If Used
Выбрано товаров: 0