Запчасти Case CX135SR (08-36) - PILOT CONTROL LINES - MODELS WITH CONTROL SELECTOR VALVE (08) - HYDRAULICS

Схема запчастей Case CX135SR - (08-36) - PILOT CONTROL LINES - MODELS WITH CONTROL SELECTOR VALVE (08) - HYDRAULICS
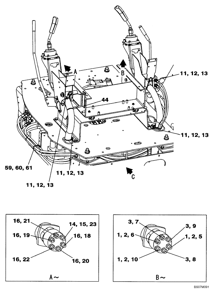
3
18
2
12
11
59
13
6
1
12
61
22
2
13
16
1
7
1
16
3
12
14
9
11
21
5
3
13
16
23
8
16
16
20
11
12
11
2
60
15
19
10
44
13
FIT
1:1
100%

Артикул

Название

Примечание

Количество

1

152127A1

HYD CONNECTOR,1/4" NPT O-Ring x 1/4" NPT

Incl. 2

3шт.

2

154467A1

O-RING,10.8mm ID x 2.4mm Width

1шт.

3

161841A1

HYD CONNECTOR

3шт.

5

KHJ2368

HOSE

2350 mm (92-5/8 in); See Figure 08-37

1шт.

6

KHJ2368

HOSE

2350 mm (92-5/8 in); See Figure 08-37, Serial Range: -17

1шт.

7

KHJ2387

HOSE

1550 mm (61 in); See Figure 08-37

1шт.

8

KHJ2387

HOSE

1550 mm (61 in); See Figure 08-39

1шт.

9

KHJ2182

HOSE

1450 mm (57-1/8 in); See Figure 08-39

1шт.

10

KHJ2333

HOSE

1920 mm (75-5/8 in); See Figure 08-39

1шт.

11

150860A1

COLLAR

4шт.

12

840-168

SCREW,Pan, M6 x 1 x 8mm, Cl 4.8

4шт.

13

150498A1

MOUNTING CLIP

4шт.

14

152127A1

HYD CONNECTOR,1/4" NPT O-Ring x 1/4" NPT

Incl. 15

1шт.

15

154467A1

O-RING,10.8mm ID x 2.4mm Width

1шт.

16

161841A1

HYD CONNECTOR

5шт.

18

KHJ2213

HOSE

1480 mm (58-3/8 in); See Figure 08-39

1шт.

19

KHJ2213

HOSE

1480 mm (58-3/8 in); See Figure 08-39

1шт.

20

KHJ2391

HOSE

1500 mm (59-1/8 in); See Figure 08-39

1шт.

21

KHJ2387

HOSE

1550 mm (61 in); See Figure 08-39

1шт.

22

KHJ2335

HOSE

1780 mm (70-1/8 in); See Figure 08-39

1шт.

23

KHJ2336

HOSE

1800 mm (70-7/8 in); See Figure 08-39

1шт.

44

150498A1

MOUNTING CLIP

3шт.

59

150860A1

COLLAR

1шт.

60

840-168

SCREW,Pan, M6 x 1 x 8mm, Cl 4.8

1шт.

61

150496A1

MOUNTING CLIP

3шт.

Выбрано товаров: 0