Запчасти Case CX135SR (08-41[01]) - HYDRAULICS - TRAVEL - WITH DOZER BLADE (08) - HYDRAULICS

Схема запчастей Case CX135SR - (08-41[01]) - HYDRAULICS - TRAVEL - WITH DOZER BLADE (08) - HYDRAULICS
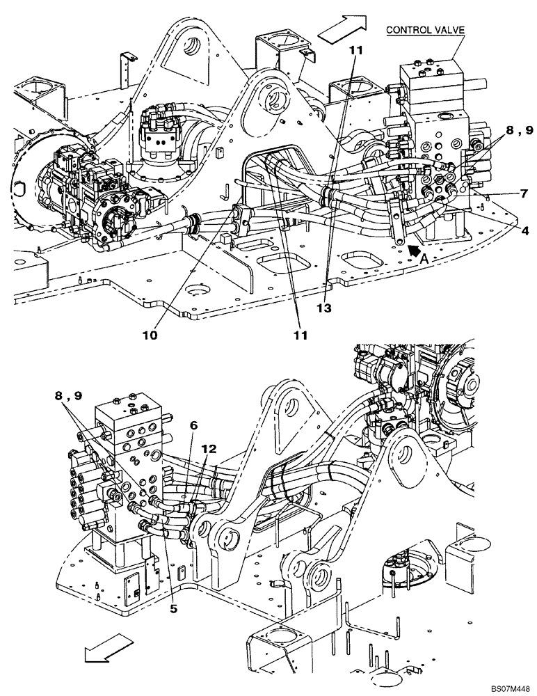
10
11
5
9
6
9
11
8
13
4
8
12
7
FIT
1:1
100%

Артикул

Название

Примечание

Количество

4

KMJ2704

HOSE ASSY.,19.00 mm ID x 1450.00 mm

1шт.

5

KMJ2703

HOSE ASSY.,19.00 mm ID x 1500.00 mm

1шт.

6

KMJ2704

HOSE ASSY.,19.00 mm ID x 1450.00 mm

1шт.

7

KMJ3061

HOSE ASSY.,19.00 mm ID x 1600.00 mm

1шт.

8

151654A1

HYD CONNECTOR,3/4" NPT O-Ring x 3/4" NPT

4шт.

9

154503A1

O-RING

1шт.

10

KMJ2707

RUBBER BAND

1шт.

11

150498A1

MOUNTING CLIP

12шт.

12

KHJ2023

HOSE CLAMP

4шт.

13

KHJ2023

HOSE CLAMP

2шт.

Выбрано товаров: 10