Качественные детали и логистика
Оригинальные и аналоговые запчасти с доставкой по России, Казахстану и Беларуси
©2022 PartSell ООО "Система" ИНН 2463123282 ОГРН 1212400004838
Центральный офис: г. Красноярск, Академика Киренского, д.87, пом.4
Телефон: 8 (800) 777-65-74 Email: zakaz@partsell.ru
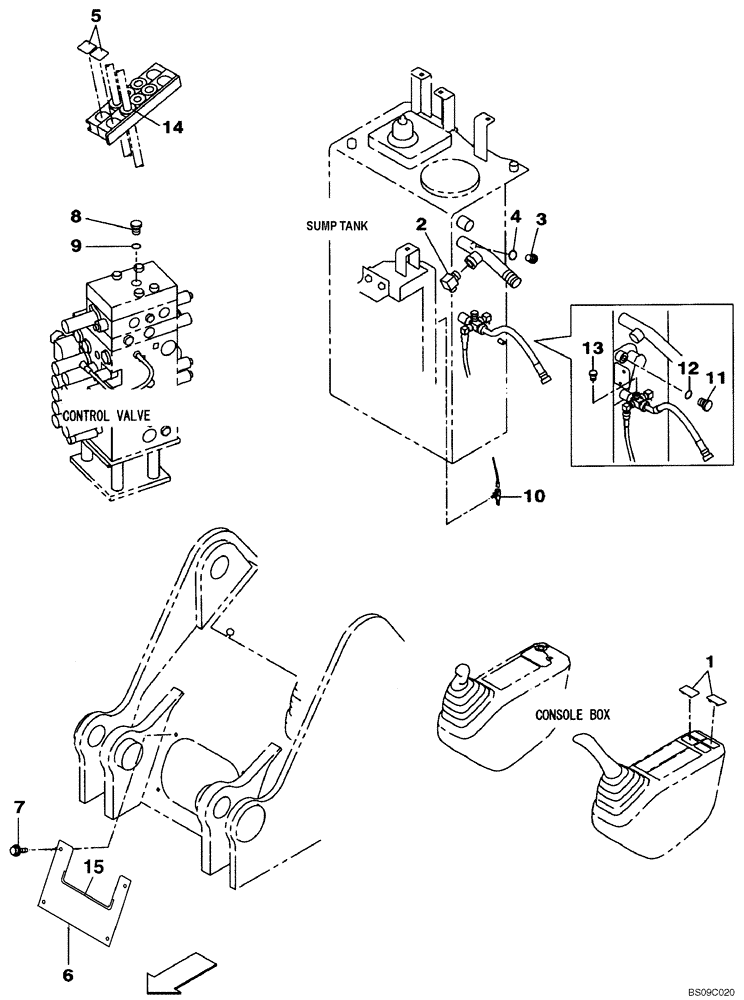
(08-63) - PLUG
№
Артикул
Название
Примечание
Количество
1
KHR2913
CAP
2шт.
2
KHJ18470
ELBOW
1шт.
3
153105A1
PLUG
Incl. Fig. 4
4
154475A1
O-RING
5
KAJ4874
PLATE
6
KMN12380
COVER
COVER, Replaces KMN11260, KMN12370
7
166052A1
BOLT
M10X25
3-4шт.
8
Incl. Fig. 9
9
10
KHR16740
WIRE HARNESS
11
159002A1
Incl. Fig. 12
12
154467A1
O-RING,10.8mm ID x 2.4mm Width
13
158842A1
14
KHJ2289
HOSE CLAMP
15
KMN12400
GASKET
260 mm
Выбрано товаров: 0