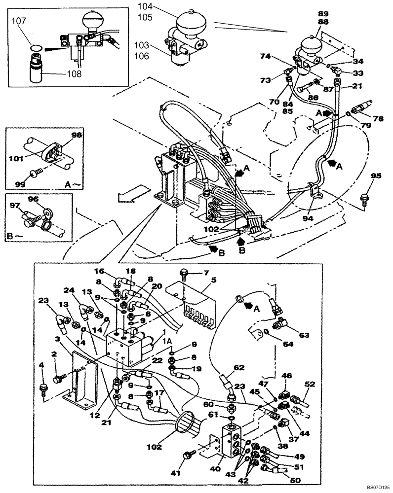
Запчасти Case CX160 (08-33) - HYDRAULICS - PILOT PRESSURE, RETURN LINES; P.I.N. DAC0716270 - (08) - HYDRAULICS

Схема запчастей Case CX160 - (08-33) - HYDRAULICS - PILOT PRESSURE, RETURN LINES; P.I.N. DAC0716270 - (08) - HYDRAULICS
96
17
43
49
61
45
9
103
106
20
108
44
79
1a
74
63
85
14
98
62
52
8
105
3
47
51
94
1012
37
107
21
13
33
97
78
50
12
38
89
104
101
99
8
86
64
9
87
8
14
21
95
88
4
18
23
73
40
22
41
9
102
24
19
16
70
1
60
34
46
7
9
13
8
23
8
42
5
2
84
FIT
1:1
100%

Артикул

Название

Примечание

Количество

1

KHJ1972

SOLENOID VALVE

See Figure 08-64A; No Longer Available, Order KHJ15460

1шт.

1a

KHJ15460

SOLENOID VALVE

See Figure 08-64B

1шт.

2

627-10020

BOLT,Hex, M10 x 1.5 x 20mm, Cl 10.9, Full Thd

2шт.

896-11010

WASHER,11mm ID x 21mm OD x 2.5mm Thk

2шт.

3

KHJ1582

BRACKET

1шт.

4

152718A1

BOLT,Spcl, Hex Wshr, M12 x 25mm, Cl 10.9

2шт.

5

KHJ1581

COVER

1шт.

7

156559A1

BOLT,High Strength, Hex, M6 x 12mm, W/ LW

2шт.

8

152127A1

HYD CONNECTOR,1/4" NPT O-Ring x 1/4" NPT

Incl. 9

5шт.

9

154467A1

O-RING,10.8mm ID x 2.4mm Width

1шт.

12

163422A1

TEE

1шт.

13

152128A1

HYD CONNECTOR,3/8" NPT O-Ring x 3/8" NPT

Incl. 14

2шт.

14

154475A1

O-RING

1шт.

16

165392A1

HYDRAULIC HOSE

See Figure 08-36

1шт.

17

162555A1

HOSE

See Figure 08-36

1шт.

18

162555A1

HOSE

See Figure 08-36

1шт.

19

165392A1

HYDRAULIC HOSE

See Figure 08-36

1шт.

20

KAJ3243

HYDRAULIC HOSE

See Figure 08-36

1шт.

21

162524A1

HOSE

1шт.

22

164791A1

HOSE ASSY.

See Figure 08-36

1шт.

23

162534A1

HOSE

1шт.

24

161661A1

HYDRAULIC HOSE

See Figure 08-36

1шт.

33

150916A1

ELBOW,90 Degree, 3/8" O-Ring x 3/8"

Incl. 34

1шт.

34

154475A1

O-RING

1шт.

37

150916A1

ELBOW,90 Degree, 3/8" O-Ring x 3/8"

Incl. 38

1шт.

38

154475A1

O-RING

1шт.

40

KNJ2574

MANIFOLD

1шт.

41

627-8020

BOLT,Hex, M8 x 1.25 x 20mm, Cl 10.9, Full Thd

2шт.

896-15008

WASHER,9mm ID x 21mm OD x 2.5mm Thk

2шт.

42

152127A1

HYD CONNECTOR,1/4" NPT O-Ring x 1/4" NPT

Incl. 43

3шт.

43

154467A1

O-RING,10.8mm ID x 2.4mm Width

1шт.

44

156554A1

ELBOW

Incl. 45

1шт.

45

154467A1

O-RING,10.8mm ID x 2.4mm Width

1шт.

46

150916A1

ELBOW,90 Degree, 3/8" O-Ring x 3/8"

Incl. 47

1шт.

47

154475A1

O-RING

1шт.

49

157852A1

HOSE,6.30 mm ID x 1650.00 mm

1650 mm (65 in), See Figure 08-36

1шт.

50

KHJ1937

HOSE

See Figure 08-36

1шт.

51

157853A1

HOSE,6.3 mm ID x 2050.00 mm

See Figure 08-36

1шт.

52

157963A1

HOSE

See Figure 08-36

1шт.

60

151650A1

HYD CONNECTOR,1/2" NPT O-Ring x 1/2" NPT

Incl. 61

1шт.

61

154487A1

O-RING

1шт.

62

KNJ2750

HYDRAULIC HOSE,12.70 mm ID x 800.00 mm

1шт.

63

150919A1

ELBOW,90 Degree, 1/2" O-Ring x 1/2"

Incl. 64

1шт.

64

154487A1

O-RING

1шт.

70

KHJ2725

HYDRAULIC HOSE,6.30 mm ID x 2000.00 mm

See Figure 08-36; Replaces 150966A1

1шт.

73

150913A1

ELBOW,90 Degree, 1/4" O-Ring x 1/4"

Incl. 74

1шт.

74

154467A1

O-RING,10.8mm ID x 2.4mm Width

1шт.

78

KHJ1584

UNION

Incl. 79

2шт.

79

154467A1

O-RING,10.8mm ID x 2.4mm Width

1шт.

84

KHJ1474

FILTER ASSY

Incl. 85; No Longer Used, Order Accumulator Assy KHJ14870, Ref 103

1шт.

85

KHJ1493

HYDRAULIC OIL FILTER

1шт.

86

827-10100

BOLT,Hex, M10 x 1.5 x 100mm, Cl 10.9

2шт.

87

150409A1

WASHER

10,5 x 21 x 3,2 mm

2шт.

88

150894A1

ACCUMULATOR

Incl. 89; No Longer Used, Order Accumulator Assy KHJ14870, Ref 103

1шт.

89

154487A1

O-RING

1шт.

94

KHR2582

CLAMP

1шт.

95

KHJ2298

BOLT,Spcl

1шт.

96

KHR2583

CLAMP

2шт.

97

159602A1

BOLT,Sems, Hex, M6 x 16mm

2шт.

98

150860A1

COLLAR

4шт.

99

840-168

SCREW,Pan, M6 x 1 x 8mm, Cl 4.8

4шт.

101

150496A1

MOUNTING CLIP

250 mm (10 in)

1шт.

102

150071A1

MOUNTING CLIP

1шт.

103

KHJ14870

ACCUMULATOR

Incl. 104 - 108

1шт.

104

KHJ2359

ACCUMULATOR

1шт.

105

154487A1

O-RING

1шт.

106

KHJ14880

MANIFOLD

Incl. 107, 108

1шт.

107

154641A1

O-RING

1шт.

108

KHJ1493

HYDRAULIC OIL FILTER

1шт.

Выбрано товаров: 69