Качественные детали и логистика
Оригинальные и аналоговые запчасти с доставкой по России, Казахстану и Беларуси
©2022 PartSell ООО "Система" ИНН 2463123282 ОГРН 1212400004838
Центральный офис: г. Красноярск, Академика Киренского, д.87, пом.4
Телефон: 8 (800) 777-65-74 Email: zakaz@partsell.ru
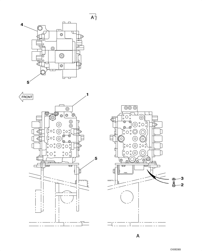
(08-59) - CONTROL VALVE - SUPPORT
№
Артикул
Название
Примечание
Количество
1
KLJ0650
VALVE, CONTROL
Replaces KLJ0498, See Figures 08-60 - 08-63
1шт.
2
627-12035
BOLT,Hex, M12 x 1.75 x 35mm, Cl 10.9, Full Thd
4шт.
3
150811A1
WASHER
M12
4
KNJ2776
BRACKET
5
627-16040
BOLT,Hex, M16 x 2 x 40mm, Cl 10.9, Full Thd
896-11016
WASHER,17.5mm ID x 30mm OD x 4mm Thk
Выбрано товаров: 0