Запчасти Case CX160 (08-04A) - HYDRAULICS - CONTROL VALVE SUPPLY; P.I.N. DAC0716270 - (08) - HYDRAULICS

Схема запчастей Case CX160 - (08-04A) - HYDRAULICS - CONTROL VALVE SUPPLY; P.I.N. DAC0716270 - (08) - HYDRAULICS
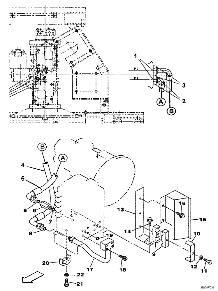
22
8
5
1
21
3
7
15
19
9
17
12
4
20
10
6
8
18
16
13
11
2
14
FIT
1:1
100%

Артикул

Название

Примечание

Количество

1

155210A1

O-RING

2шт.

2

152598A1

HALF-COLLAR

Split

4шт.

3

862-10030

HEX SOC SCREW,M10 x 30mm, Cl 12.9

8шт.

4

KLJ0673

HOSE ASSY.,12.70 mm ID x 820.00 mm

1шт.

5

KLJ0654

HOSE ASSY.,19.00 mm ID x 750.00 mm

1шт.

6

KHJ1495

ADAPTER

Incl. 7

1шт.

7

154503A1

O-RING

1шт.

8

KHJ1360

O-RING,0.07" Thk x 0.739" ID

2шт.

9

KNJ2534

CLAMP

Hose

2шт.

10

KNJ2510

BRACKET

1шт.

11

827-12085

BOLT,Hex, M12 x 1.75 x 85mm, Cl 10.9

1шт.

12

150811A1

WASHER

M12

1шт.

13

KLJ0659

SUPPORT

1шт.

14

152718A1

BOLT,Spcl, Hex Wshr, M12 x 25mm, Cl 10.9

2шт.

15

KLJ0661

COVER

1шт.

16

152718A1

BOLT,Spcl, Hex Wshr, M12 x 25mm, Cl 10.9

2шт.

17

KLJ0509

TUBE ASSY.,20.8 mm ID x 27.2 mm OD

1шт.

18

862-10045

HEX SOC SCREW,M10 x 45mm, Cl 12.9

4шт.

19

154528A1

O-RING

1шт.

20

151486A1

CLAMP BRACKET

1шт.

21

827-12055

BOLT,Hex, M12 x 1.75 x 55mm, Cl 10.9

1шт.

22

150811A1

WASHER

M12

1шт.

Выбрано товаров: 22