Запчасти Case CX210LR (08-29) - HYDRAULICS - PILOT PRESSURE, RETURN LINES (Mar 2 2011 9:20AM) (08) - HYDRAULICS

Схема запчастей Case CX210LR - (08-29) - HYDRAULICS - PILOT PRESSURE, RETURN LINES (Mar 2 2011 9:20AM) (08) - HYDRAULICS
4
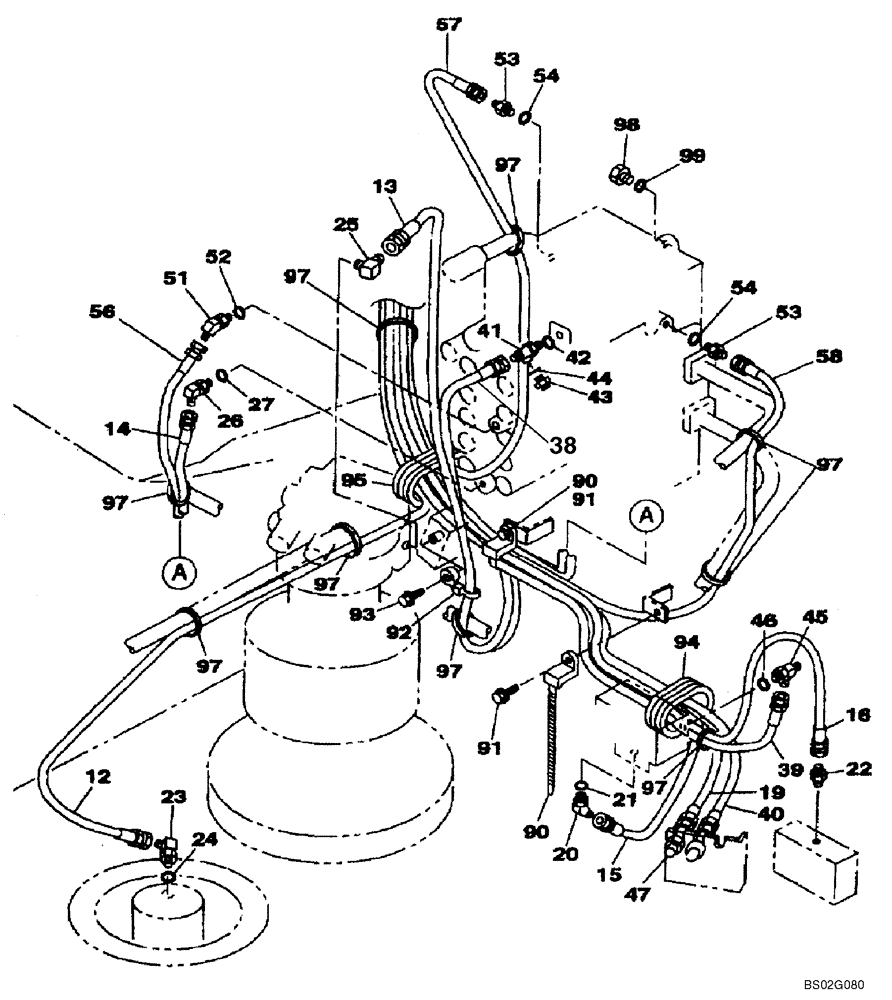
16
97
38
45
25
27
97
97
54
26
23
51
44
99
19
21
91
56
46
12
52
92
90
2
97
15
95
91
53
39
14
90
20
97
97
94
98
47
93
24
97
54
53
58
57
22
13
97
41
FIT
1:1
100%

Артикул

Название

Примечание

Количество

12

161166A1

HOSE ASSY.

See Figure 08-26A; Replaces 161648A1

1шт.

13

168657A1

HOSE

See Figure 08-26A

1шт.

14

161657A1

HOSE ASSY.

1600 mm (63 in); See Figure 08-26A

1шт.

15

161494A1

HOSE ASSY.

2100 mm (82-5/8 in); See Figure 08-26A

1шт.

16

163359A1

HOSE ASSY.

2750 mm (108-1/4 in); See Figure 08-26A

1шт.

19

161647A1

HOSE

See Figure 08-26A

1шт.

20

150933A1

ELBOW

Incl. 21

1шт.

21

154467A1

O-RING,10.8mm ID x 2.4mm Width

1шт.

22

KHJ1291

ORIFICE

1шт.

23

150913A1

ELBOW,90 Degree, 1/4" O-Ring x 1/4"

Incl. 24

1шт.

24

154467A1

O-RING,10.8mm ID x 2.4mm Width

1шт.

25

153596A1

ADAPTER

1шт.

26

150913A1

ELBOW,90 Degree, 1/4" O-Ring x 1/4"

Incl. 27

1шт.

27

154467A1

O-RING,10.8mm ID x 2.4mm Width

1шт.

38

152773A1

HOSE ASSY.

1850 mm (72-7/8 in); See Figure 08-27

1шт.

39

152773A1

HOSE ASSY.

1850 mm (72-7/8 in); See Figure 08-27

1шт.

40

152713A1

HOSE ASSY.

1700 mm (67 in); See Figure 08-27

1шт.

41

167666A1

FITTING

Incl. 42

1шт.

42

154467A1

O-RING,10.8mm ID x 2.4mm Width

1шт.

43

152127A1

HYD CONNECTOR,1/4" NPT O-Ring x 1/4" NPT

Incl. 44

1шт.

44

154467A1

O-RING,10.8mm ID x 2.4mm Width

1шт.

45

159497A1

TEE

Incl. 46

1шт.

46

154467A1

O-RING,10.8mm ID x 2.4mm Width

1шт.

47

162826A1

ADAPTER

1шт.

51

150933A1

ELBOW

Incl. 52

1шт.

52

154467A1

O-RING,10.8mm ID x 2.4mm Width

1шт.

53

152127A1

HYD CONNECTOR,1/4" NPT O-Ring x 1/4" NPT

Incl. 54

2шт.

54

154467A1

O-RING,10.8mm ID x 2.4mm Width

1шт.

56

152270A1

HOSE,6.3mm ID x 2600mm L

See Figure 08-26, REF 58

1шт.

57

157852A1

HOSE,6.30 mm ID x 1650.00 mm

1650 mm (65 in); See Figure 08-26, REF 59

1шт.

58

152778A1

HOSE ASSY.

2700 mm (106-3/8 in); See Figure 08-26, REF 60

1шт.

90

KHR2582

CLAMP

2шт.

91

KHJ2298

BOLT,Spcl

2шт.

92

KHR2583

CLAMP

1шт.

93

159906A1

BOLT,Sems, Hex, M6 x 20mm, Spcl

1шт.

94

KRH1393

GROMMET

1шт.

95

152286A1

RUBBER BLOCK

1шт.

97

150071A1

MOUNTING CLIP

1шт.

98

159002A1

PLUG

1шт.

99

154467A1

O-RING,10.8mm ID x 2.4mm Width

1шт.

Выбрано товаров: 40