Запчасти Case CX210LR (08-32) - PUMP ASSY, HYDRAULIC - LOW PRESSURE (Aug 12 2010 11:56AM) (08) - HYDRAULICS

Схема запчастей Case CX210LR - (08-32) - PUMP ASSY, HYDRAULIC - LOW PRESSURE (Aug 12 2010 11:56AM) (08) - HYDRAULICS
209
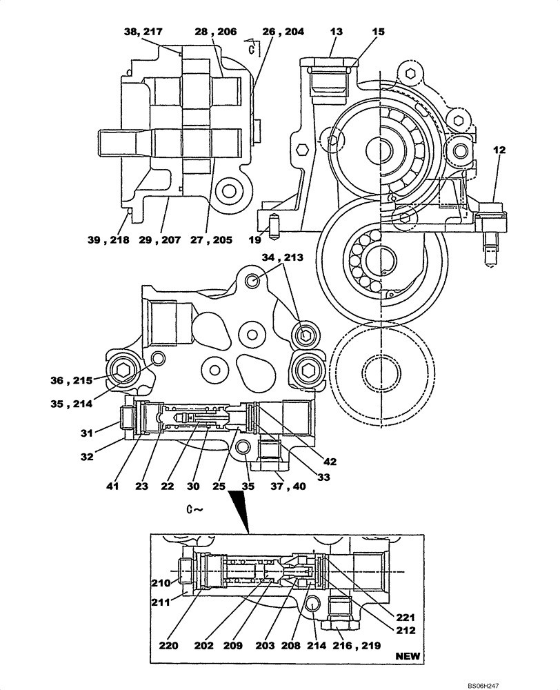
217
203
215
214
221
41
30
211
202
219
204
32
37
208
210
216
15
22
38
213
31
42
29
40
28
214
33
19
34
27
206
23
207
35
25
26
12
218
212
205
39
36
220
35
13
FIT
1:1
100%

Артикул

Название

Примечание

Количество

KRJ6199

PUMP, HYDRAULIC

Includes All Parts On Figures 08-30 - 08-34

1шт.

87341979

REMAN-HYD PUMP

Remanufactured HYDRAULIC PUMP - N.A. Only

1шт.

87341980

CORE-HYDRAULIC PUMP

Return No, HYDRAULIC PUMP - N.A. Only

1шт.

LC00159

HYDRAULIC PUMP

Incl. 4 - 19; Also Includes Parts on Figure 08-31

1шт.

4

NSS

NOT SOLD SEPARAT

Gear; See Figure 08-31

1шт.

12

LA00691

BOLT,Hex Skt Hd

4шт.

13

155471A1

PLUG

1шт.

15

154503A1

O-RING

1шт.

19

157018A1

COTTER PIN

2шт.

20

LJ00683

PUMP, HYDRAULIC

Gear; Incl. 21 - 42; P.I.N. DAC0721101 - DAC0721714

1шт.

21

LJ00693

BODY

Incl. 22, 23

1шт.

22

NSS

NOT SOLD SEPARAT

Seat, Valve

1шт.

23

NSS

NOT SOLD SEPARAT

Poppet, Valve

1шт.

24

LNP0221

VALVE POPPET

Incl. 25 - 29

1шт.

25

NSS

NOT SOLD SEPARAT

Seat, Valve

1шт.

26

NSS

NOT SOLD SEPARAT

Housing

1шт.

27

NSS

NOT SOLD SEPARAT

Gear

1шт.

28

NSS

NOT SOLD SEPARAT

Gear

1шт.

29

NSS

NOT SOLD SEPARAT

Housing

1шт.

30

160593A1

SPRING

1шт.

31

160568A1

ADJUSTMENT SCREW

1шт.

32

163662A1

LOCK NUT

1шт.

33

163663A1

FILTER

1шт.

34

163664A1

FLANGE BOLT,Hex Skt, M8 x 50mm

2шт.

35

163665A1

FLANGE BOLT,Hex Skt, M8 x 60mm

2шт.

36

LA00692

BOLT,Hex Skt Hd

6шт.

37

155496A1

PLUG

1шт.

38

163667A1

SEALING RING

1шт.

39

154689A1

O-RING

1шт.

40

154467A1

O-RING,10.8mm ID x 2.4mm Width

1шт.

41

154483A1

O-RING

1шт.

42

163668A1

RING, LOCKING

RING, LOCK

1шт.

200

LJ01269

HYDRAULIC PUMP

Gear, Incl. 201 - 221; P.I.N. DAC0721715 -

1шт.

201

LC00258

BODY

Incl. 202 - 207

1шт.

202

NSS

NOT SOLD SEPARAT

Poppet

1шт.

203

NSS

NOT SOLD SEPARAT

Seat

1шт.

204

NSS

NOT SOLD SEPARAT

Case, Gear

1шт.

205

NSS

NOT SOLD SEPARAT

Gear

1шт.

206

NSS

NOT SOLD SEPARAT

Gear

1шт.

207

NSS

NOT SOLD SEPARAT

Case

1шт.

208

LE01175

RING

1шт.

209

LG00536

SPRING

1шт.

210

LF00043

ADJUSTER

1шт.

211

163662A1

LOCK NUT

1шт.

212

163663A1

FILTER

1шт.

213

163664A1

FLANGE BOLT,Hex Skt, M8 x 50mm

2шт.

214

163665A1

FLANGE BOLT,Hex Skt, M8 x 60mm

2шт.

215

LA00872

BOLT,Spcl

4шт.

216

155496A1

PLUG

1шт.

217

163667A1

SEALING RING

1шт.

218

154713A1

O-RING

1шт.

219

154467A1

O-RING,10.8mm ID x 2.4mm Width

1шт.

220

154483A1

O-RING

1шт.

221

163668A1

RING, LOCKING

RING, LOCK

1шт.

Выбрано товаров: 54