Запчасти Case CX210N (02-06) - WATER PUMP SYSTEM - OIL COOLER (02) - ENGINE

Схема запчастей Case CX210N - (02-06) - WATER PUMP SYSTEM - OIL COOLER (02) - ENGINE
14
12
23
38
28
4
17
11
6
18
26
20
10
9
15
38
32
5
16
31
34
1
37
18
39
37
2
19
7
34
25
24
21
36
13
40
30
22
33
36
27
8
29
35
FIT
1:1
100%

Артикул

Название

Примечание

Количество

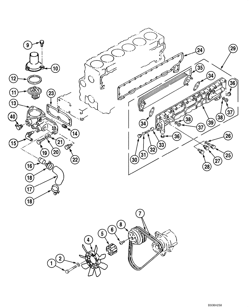
1

288991A1

BOLT

4шт.

2

289782A1

LOCK WASHER

4шт.

4

288757A1

FAN

1шт.

5

288755A1

SPACER

1шт.

6

289760A1

SCREW

2шт.

7

87456836

SET OF 2 BELTS

Fan, Set of Two, Replaces KRH1383

1шт.

8

288753A1

PULLEY

1шт.

9

288695A1

BOLT

1шт.

9

419941A1

FLANGE BOLT

M8 x 22

2шт.

10

419714A1

TUBE

1шт.

11

289205A1

THERMOSTAT

1шт.

12

289204A1

PACKING

1шт.

13

289491A1

HOUSING

1шт.

14

289415A1

PLUG

1шт.

15

288816A1

TUBE

1шт.

16

419717A1

TUBE

1шт.

17

288834A1

RADIATOR HOSE

1шт.

18

289426A1

CLIP

2шт.

19

288973A1

BOLT

3шт.

20

289783A1

LOCK WASHER

3шт.

21

289788A1

WASHER

3шт.

22

289001A1

BOLT

M10 x 32; 10.9

4шт.

23

433822A1

GASKET

1шт.

24

447023A1

GASKET

1шт.

25

289019A1

BOLT

M8 x 45

12шт.

25

87458184

BOLT

1шт.

26

289787A1

WASHER

M8

1шт.

27

289035A1

BOLT

15шт.

28

289051A1

BOLT

2шт.

29

289328A1

COOLER

Incl. 30 - 39

1шт.

30

289878A1

PLUG

1шт.

31

288852A1

GASKET

1шт.

32

289412A1

SPRING

1шт.

33

289441A1

VALVE

1шт.

34

447024A1

GASKET

2шт.

35

289129A1

COOLER

Oil, DAC0721099 - DAC0721576

1шт.

35

289328A1

COOLER

Oil, DAC0721577 -

1шт.

36

289416A1

PLUG

2шт.

37

289779A1

NUT

4шт.

38

289795A1

WASHER

M10

4шт.

39

289127A1

BODY

1шт.

40

288815A1

TUBE

1шт.

Выбрано товаров: 42