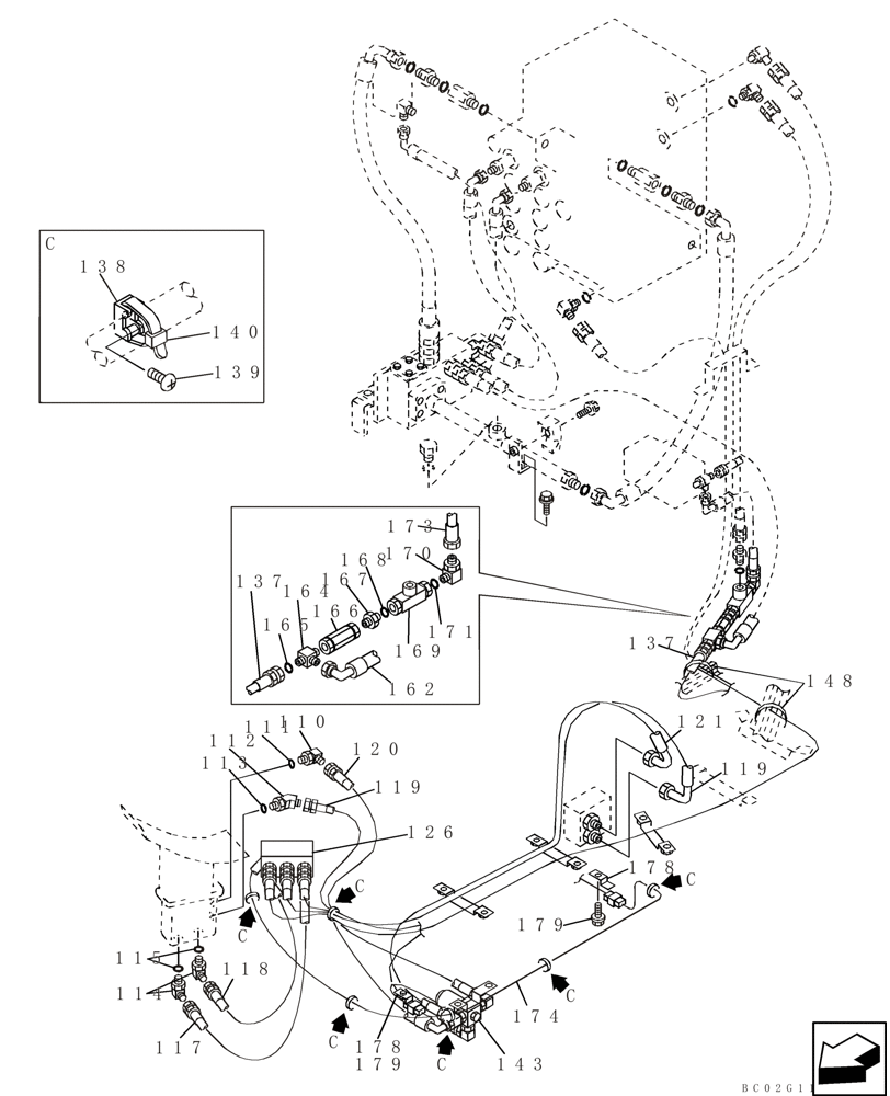
Запчасти Case CX210N (08-55) - HYDRAULICS, AUXILIARY - DOUBLE ACTING CIRCUIT, PEDAL ACTIVATED (08) - HYDRAULICS

Схема запчастей Case CX210N - (08-55) - HYDRAULICS, AUXILIARY - DOUBLE ACTING CIRCUIT, PEDAL ACTIVATED (08) - HYDRAULICS
179
143
111
139
113
c
178
c
179
178
174
c
119
169
168
c
140
114
164
c
148
167
171
119
137
bc02g117
120
c
137
165
117
110
118
162
c
112
115
166
138
121
126
170
173
FIT
1:1
100%

Артикул

Название

Примечание

Количество

110

150933A1

ELBOW

Incl. 111

1шт.

111

154467A1

O-RING,10.8mm ID x 2.4mm Width

1шт.

112

KHJ0994

ADAPTER

Incl. 113

1шт.

113

154467A1

O-RING,10.8mm ID x 2.4mm Width

1шт.

114

150913A1

ELBOW,90 Degree, 1/4" O-Ring x 1/4"

Incl. 115

2шт.

115

154467A1

O-RING,10.8mm ID x 2.4mm Width

1шт.

117

161483A1

HOSE ASSY.

1шт.

118

165147A1

HOSE ASSY.

1шт.

119

164236A1

HOSE ASSY.

1000 mm (39-3/8 in)

1шт.

120

159013A1

HOSE ASSY.

1шт.

121

159235A1

HYDRAULIC HOSE

850 mm (KRJ3572)

1шт.

126

KHJ17100

VALVE PRESSURE RELIE

Replaces KHJ1655

1шт.

137

152581A1

HOSE,6.3mm ID x 1900mm L

1шт.

138

150860A1

COLLAR

6шт.

139

840-168

SCREW,Pan, M6 x 1 x 8mm, Cl 4.8

6шт.

140

150496A1

MOUNTING CLIP

250 mm (10 in)

6шт.

143

162538A1

VALVE

Solenoid; See Figure 08-57, 08-64

1шт.

148

150071A1

MOUNTING CLIP

2шт.

162

164791A1

HOSE ASSY.

1шт.

164

159497A1

TEE

Incl. 165

1шт.

165

154467A1

O-RING,10.8mm ID x 2.4mm Width

1шт.

166

167853A1

ADAPTER

1шт.

167

162654A1

HYD CONNECTOR

Incl. 168

1шт.

168

154467A1

O-RING,10.8mm ID x 2.4mm Width

1шт.

169

KHJ17090

VALVE PRESSURE RELIE

Shuttle; Replaces 158186A1

1шт.

170

150913A1

ELBOW,90 Degree, 1/4" O-Ring x 1/4"

Incl. 171

1шт.

171

154467A1

O-RING,10.8mm ID x 2.4mm Width

1шт.

173

167353A1

HOSE,400.00 mm

1шт.

174

KHR3351

HARNESS

1шт.

178

165405A1

CLIP

2шт.

179

156559A1

BOLT,High Strength, Hex, M6 x 12mm, W/ LW

2шт.

Выбрано товаров: 31