Запчасти Case CX210N (02-07) - DRIVE BELT GUARD - VENTILATOR (02) - ENGINE

Схема запчастей Case CX210N - (02-07) - DRIVE BELT GUARD - VENTILATOR (02) - ENGINE
4
8
8
4
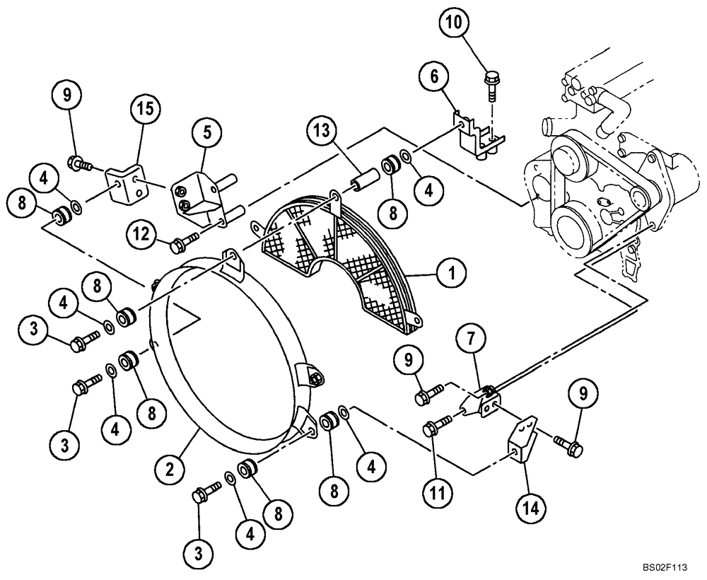
7
10
3
8
9
8
14
3
8
6
4
5
11
1
15
8
12
4
13
9
4
9
2
3
4
FIT
1:1
100%

Артикул

Название

Примечание

Количество

1

419718A1

GUIDE

1шт.

2

419719A1

GUIDE

1шт.

3

288700A1

BOLT

M10 x 45

3шт.

4

419722A1

WASHER

6шт.

5

87329009

BRACKET

Right Hand; Replaces 419723A1

1шт.

6

419724A1

BRACKET

1шт.

7

87329010

BRACKET

Left Hand; Replaces 419725A1

1шт.

8

419726A1

RUBBER WASHER

6шт.

9

289000A1

BOLT

M10 x 25; 10.9

4шт.

10

419728A1

BOLT

2шт.

11

288986A1

BOLT

1шт.

12

288983A1

BOLT

2шт.

13

419731A1

SPACER

3шт.

14

419732A1

STAY

1шт.

15

419733A1

STAY

1шт.

Выбрано товаров: 15