Запчасти Case CX210N (04-01) - 426828A1 STARTER ASSY (04) - ELECTRICAL SYSTEMS

Схема запчастей Case CX210N - (04-01) - 426828A1 STARTER ASSY (04) - ELECTRICAL SYSTEMS
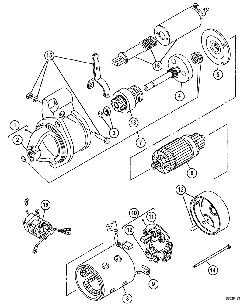
18
19
5
4
15
3
11
6
8
12
14
7
2
10
9
1
16
13
FIT
1:1
100%

Артикул

Название

Примечание

Количество

VERSION - HITACHI

1шт.

426828A1

STARTING MOTOR

Incl. 1 - 19; No Longer Available, For Service Order 289334A1, See Figure 04-01A

1шт.

1

426816A1

HOUSING

Incl. 2

1шт.

2

426817A1

BRONZE BUSHING

BRONZE BUSH

1шт.

3

426258A1

STOP

1шт.

4

426242A1

PINION SHAFT

1шт.

5

426822A1

BRACKET

1шт.

6

426243A1

STATOR

1шт.

7

426823A1

SET OF WASHERS

1шт.

8

426824A1

COIL

1шт.

9

86988787

BRUSH, COMMUTATOR

BRUSH

2шт.

10

426248A1

BRUSH HOLDER

HOLDER, BRUSH Incl. 11, 12

1шт.

11

426825A1

SPRING

4шт.

12

426827A1

BRUSH, COMMUTATOR

BRUSH

2шт.

13

426250A1

COVER

1шт.

14

426251A1

BOLT

2шт.

15

426252A1

LEVER

1шт.

16

426826A1

SOLENOID SWITCH

1шт.

17

426283A1

COVER

1шт.

18

426254A1

CLUTCH

1шт.

19

426284A1

RELAY

1шт.

Выбрано товаров: 21