Запчасти Case CX225SR (03-05) - FUEL SYSTEM (03) - FUEL SYSTEM

Схема запчастей Case CX225SR - (03-05) - FUEL SYSTEM (03) - FUEL SYSTEM
17
23
13
2
9
36
11
19
17
23
17
15
28
35
14
7
20
10
39
26
29
4
25
16
37
17
3
22
12
27
8
5
21
38
24
18
1
16
16
FIT
1:1
100%

Артикул

Название

Примечание

Количество

1

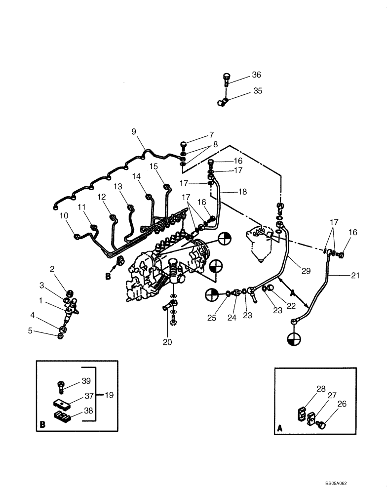
288809A1

BANJO BOLT

See Figure 03-14

6шт.

2

289775A1

NUT

M8

12шт.

3

289782A1

LOCK WASHER

W8

12шт.

4

289883A1

GASKET

6шт.

5

289495A1

PACKING

6шт.

7

426418A1

BOLT

M8 x 18

1шт.

8

289091A1

PACKING

2шт.

9

289236A1

PIPE

1шт.

10

289245A1

PIPE

Cylinder, N°6

1шт.

11

289244A1

PIPE

Cylinder, N°5

1шт.

12

289243A1

PIPE

Cylinder, N°4

1шт.

13

289242A1

PIPE

Cylinder, N°3

1шт.

14

289241A1

PIPE

Cylinder, N°2

1шт.

15

289240A1

PIPE

Cylinder, N°1

1шт.

16

289104A1

BANJO BOLT

M14 x 27

3шт.

17

426423A1

GASKET

14,2 ID x 19,2 OD

6шт.

18

289238A1

PIPE

1шт.

19

289502A1

CLIP

Replaces 289885A1

6шт.

20

426417A1

PIPE

1шт.

21

289237A1

PIPE

1шт.

22

289069A1

NUT

1шт.

23

426423A1

GASKET

14,2 ID x 19,2 OD

2шт.

24

433859A1

VALVE POPPET

1шт.

25

426423A1

GASKET

14,2 ID x 19,2 OD

1шт.

26

289011A1

BOLT

M6 x 30

1шт.

27

289428A1

HOSE CLIP

1шт.

28

289429A1

CLIP

1шт.

29

289239A1

PIPE

1шт.

30

Bracket, Clamp

1шт.

31

Bracket, Clamp

1шт.

32

289011A1

BOLT

M6 x 30

1шт.

33

289428A1

HOSE CLIP

1шт.

33

289429A1

CLIP

1шт.

34

Screw

1шт.

35

289805A1

CLIP

1шт.

36

289011A1

BOLT

M6 x 30

1шт.

37

Bracket, Clamp

1шт.

38

Bracket, Clamp

1шт.

39

Screw

1шт.

Выбрано товаров: 39