Запчасти Case CX225SR (06-06) - HYDRAULICS - TRAVEL (06) - POWER TRAIN

Схема запчастей Case CX225SR - (06-06) - HYDRAULICS - TRAVEL (06) - POWER TRAIN
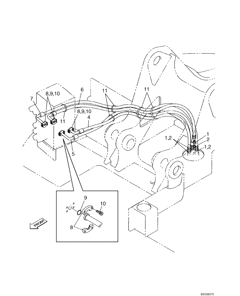
1
11
7
9
2
6
2
10
11
8
9
9
1
5
8
8
10
1
11
10
2
4
FIT
1:1
100%

Артикул

Название

Примечание

Количество

1

151654A1

HYD CONNECTOR,3/4" NPT O-Ring x 3/4" NPT

Incl. 2

4шт.

2

154503A1

O-RING

1шт.

4

KRJ6935

HYDRAULIC HOSE

1шт.

5

KRJ6936

HYDRAULIC HOSE

1шт.

6

KRJ6937

HYDRAULIC HOSE

1шт.

7

KRJ6938

HYDRAULIC HOSE

1шт.

8

153458A1

FLANGE

8шт.

9

155210A1

O-RING

4шт.

10

862-10030

HEX SOC SCREW,M10 x 30mm, Cl 12.9

16шт.

11

150071A1

MOUNTING CLIP

1шт.

Выбрано товаров: 10