Качественные детали и логистика
Оригинальные и аналоговые запчасти с доставкой по России, Казахстану и Беларуси
©2022 PartSell ООО "Система" ИНН 2463123282 ОГРН 1212400004838
Центральный офис: г. Красноярск, Академика Киренского, д.87, пом.4
Телефон: 8 (800) 777-65-74 Email: zakaz@partsell.ru
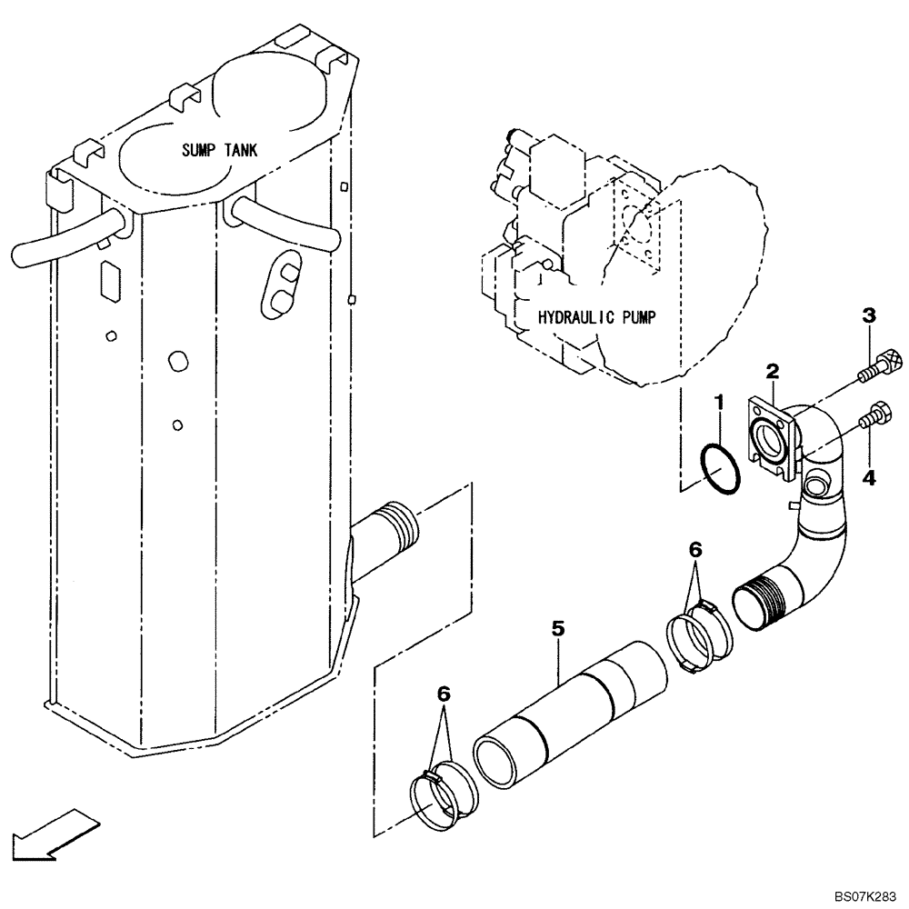
(08-08) - HYDRAULICS - PUMP SUCTION LINE
№
Артикул
Название
Примечание
Количество
1
154705A1
O-RING
1шт.
2
KRJ21090
HYD TUBE
TUBE ASSY.
3
862-16035
HEX SOC SCREW,M16 x 35mm, Cl 12.9
2шт.
4
627-16035
BOLT,Hex, M16 x 2 x 35mm, Cl 10.9, Full Thd
5
KHJ16380
HOSE
HOSE ASSY.
6
150905A1
CLAMP
4шт.
Выбрано товаров: 0