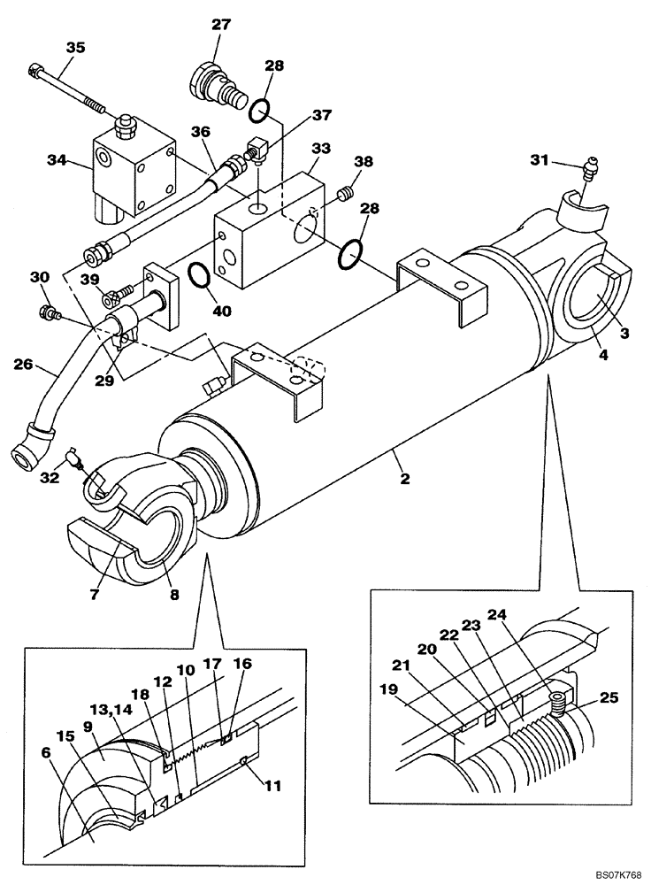
Запчасти Case CX225SR (08-86) - CYLINDER ASSY LH - BLADE, DOZER (HBCV) (08) - HYDRAULICS

Схема запчастей Case CX225SR - (08-86) - CYLINDER ASSY LH - BLADE, DOZER (HBCV) (08) - HYDRAULICS
40
23
9
15
10
4
22
14
39
27
29
17
31
6
37
21
13
30
28
25
33
26
18
19
7
36
24
28
38
12
32
11
20
35
8
3
34
16
2
FIT
1:1
100%

Артикул

Название

Примечание

Количество

KRV15260

HYDRAULIC CYLINDER

Blade, Left Hand, Incl. 2 - 40

1шт.

KRV15260R

REMAN-HYD CYLINDER

CX225SR CRAWLER EXCAVATOR TIER 3, Blade, Left Hand (3/08-)

1шт.

KRV15260C

CORE-HYD CYLINDER

Return Number

1шт.

2

LR014890

HYD CYL SLEEVE

1шт.

3

161031A1

BUSHING

1шт.

4

164445A1

RING

2шт.

5

LB00849

PISTON ROD

1шт.

6

LB00850

PISTON ROD

1шт.

7

161031A1

BUSHING

1шт.

8

164445A1

RING

2шт.

9

LU00173

PISTON ROD

1шт.

10

155416A1

BUSHING

1шт.

11

155696A1

RING, SNAP

RING SNAP

1шт.

12

155136A1

SCRAPER RING

1шт.

13

155132A1

RING,80mm ID x 95mm OD x 9mm Thk

1шт.

14

155241A1

BACK-UP RING

1шт.

15

158033A1

WIPER SEAL

1шт.

16

154769A1

O-RING

1шт.

17

LE00433

BACK-UP RING

1шт.

18

154775A1

O-RING

1шт.

19

LJ01017

PISTON

1шт.

20

155323A1

SEALING RING

1шт.

21

LE00910

SEALING STRIP

2шт.

22

155737A1

SHIM

1шт.

23

LA00675

SPECIAL NUT

1шт.

24

156223A1

SET SCREW

1шт.

25

155977A1

BALL

1шт.

26

LR014900

HYD TUBE

1шт.

27

LK00348

PLUG

1шт.

28

154515A1

O-RING

2шт.

29

LS00179

BRACKET

1шт.

30

LA00789

BOLT,Spcl

1шт.

31

153630A1

LUBE NIPPLE

1шт.

32

153631A1

LUBE NIPPLE,1/8"-27 NPT

1шт.

33

LR014910

PLATE

1шт.

34

LJ00991

SAFETY VALVE

1шт.

35

863-8080

HEX SOC SCREW,M8 x 80mm, Cl 12.9

4шт.

36

LK005590

HOSE

1шт.

37

LK00402

FITTING

1шт.

38

TLU0003

PLUG

1шт.

39

861-8025

HEX SOC SCREW,M8 x 25mm, Cl 12.9

4шт.

40

154499A1

O-RING

1шт.

41

LZ00542

SEAL KIT

Incl. 12 - 18, 20, 28

1шт.

Выбрано товаров: 43